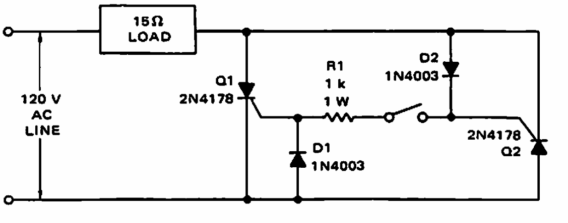
Este circuito para o controle de altas potências na rede AC foi encontrado numa documentação da Motorola de 1968. Os SCRs podem ser equivalentes modernos de acordo com a potência da carga.
Este circuito para o controle de altas potências na rede AC foi encontrado numa documentação da Motorola de 1968. Os SCRs podem ser equivalentes modernos de acordo com a potência da carga.