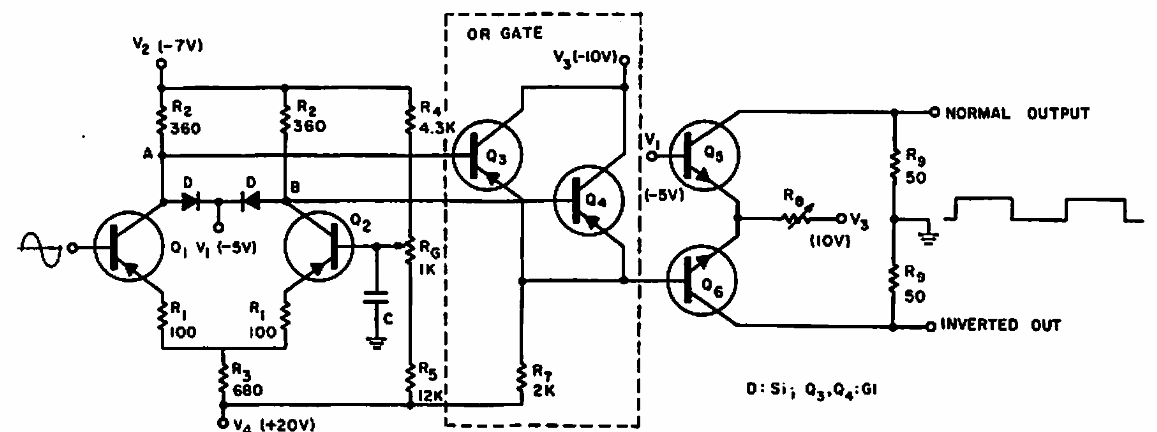
Encontrado numa Electronic Design de 1964, este circuito utiliza transistores da época. Componentes equivalentes podem ser testados.

 

 


| Clique na imagem para ampliar |

 

 

NO YOUTUBE


NOSSO PODCAST