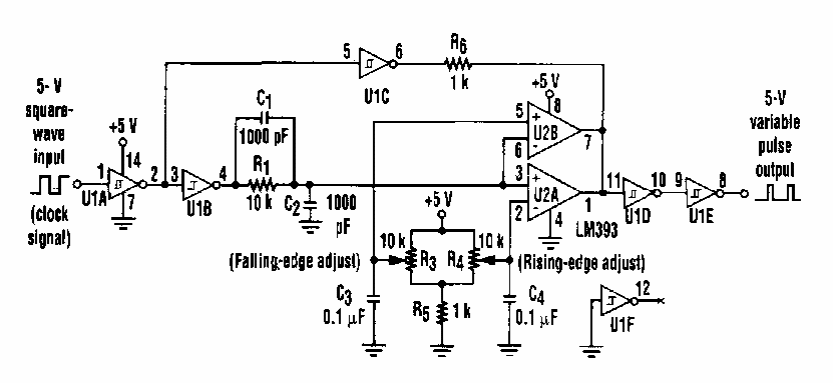
Encontrado numa Electronic Design dos anos 90, este circuito produz pulsos ajustáveis que iniciam depois de um intervalo que pode ser ajustado. O circuito pode ser implementado com componentes equivalentes modernos.
Encontrado numa Electronic Design dos anos 90, este circuito produz pulsos ajustáveis que iniciam depois de um intervalo que pode ser ajustado. O circuito pode ser implementado com componentes equivalentes modernos.