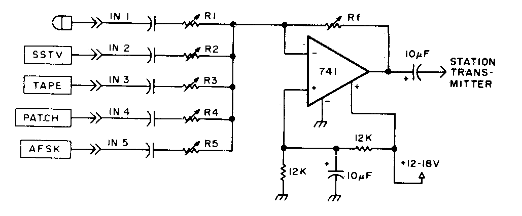
Este mixer de áudio foi encontrado numa antiga documentação americana. Os potenciômetros são de 1M e os capacitores de entrada de 100 nF. O circuito exige fonte de 12 a 18 V.

 


| Clique na imagem para ampliar |

 

 

NO YOUTUBE


NOSSO PODCAST