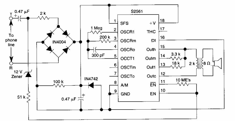
Utilizando um circuito integrado da época, encontramos esta configuração numa Radio Electronics dos anos 90.

 


| Clique na imagem para ampliar |

 

 

 

NO YOUTUBE


NOSSO PODCAST