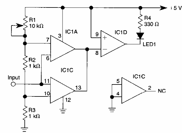
Encontrado numa documentação antiga, este circuito se aplica a praticamente qualquer amplificador operacional ou comparador comum como os da série LM339.

Encontrado numa documentação antiga, este circuito se aplica a praticamente qualquer amplificador operacional ou comparador comum como os da série LM339.
