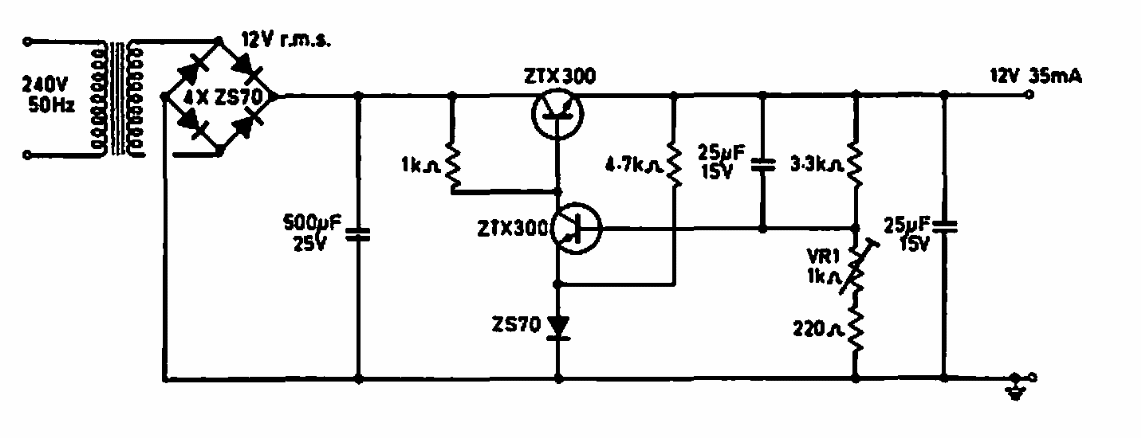
Encontrada em documentação da Ferranti de 1969, esta pequena fonte se caracteriza pelo seu baixo ripple. Os transistores podem ser comuns de uso geral, pela baixa corrente de operação.
Encontrada em documentação da Ferranti de 1969, esta pequena fonte se caracteriza pelo seu baixo ripple. Os transistores podem ser comuns de uso geral, pela baixa corrente de operação.