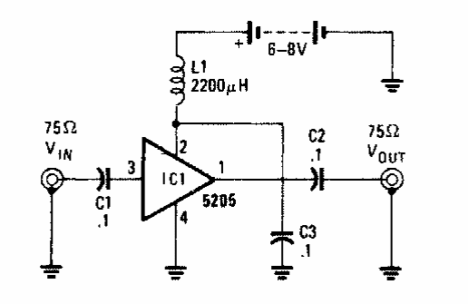
Encontrado num R-E Experimenter Handbook dos anos 90, este amplificador usa um circuito integrado da época. O circuito tem um ganho de 40 dB numa faixa de frequências que se estende até VHF.

Encontrado num R-E Experimenter Handbook dos anos 90, este amplificador usa um circuito integrado da época. O circuito tem um ganho de 40 dB numa faixa de frequências que se estende até VHF.
