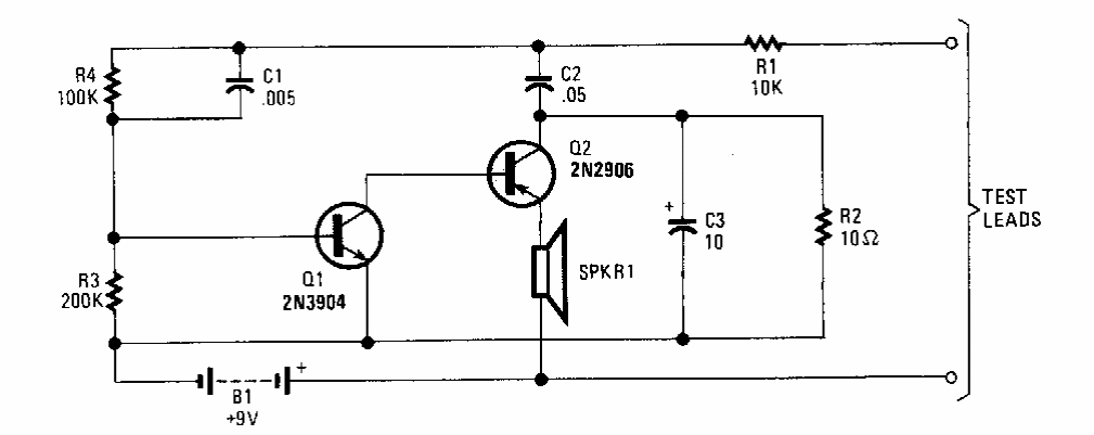
Encontrado numa Popular Electronics dos anos 90, este circuito usa transistores comuns de uso geral em configuração bastante explorada neste site e em nossos artigos.

 


| Clique na imagem para ampliar |

 

 

 

NO YOUTUBE


NOSSO PODCAST