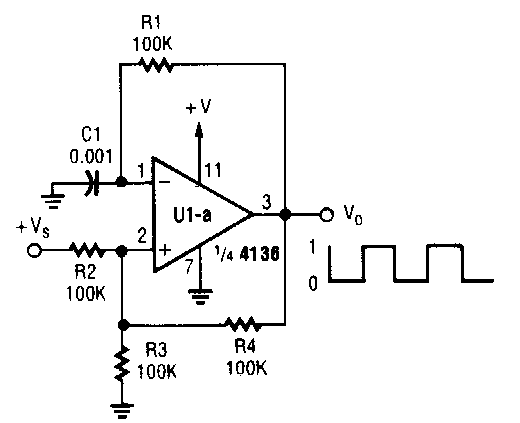
Este circuito foi encontrado numa Popular Electronics dos anos 90. O circuito integrado usado é semelhante ao 741. A alimentação pode ser feita com tensões de 6 a 15 V.

Este circuito foi encontrado numa Popular Electronics dos anos 90. O circuito integrado usado é semelhante ao 741. A alimentação pode ser feita com tensões de 6 a 15 V.
