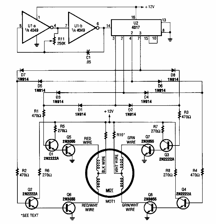
Encontrado numa Popular Electronics dos anos 90, este circuito usa componentes comuns. Os transistores de potência podem ser equivalentes atuais da série TIP ou BD.
Encontrado numa Popular Electronics dos anos 90, este circuito usa componentes comuns. Os transistores de potência podem ser equivalentes atuais da série TIP ou BD.