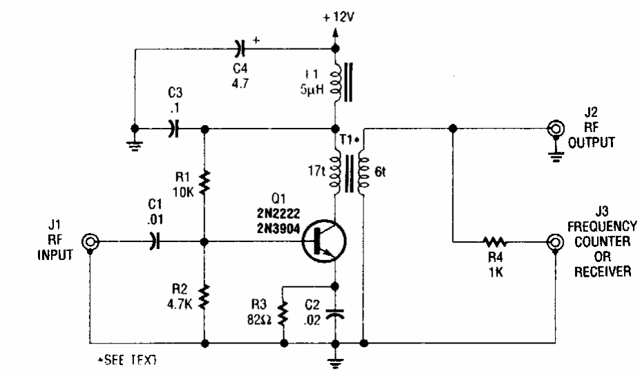
Encontrado numa Popular Electronics dos anos 90, este circuito amplifica sinais numa ampla faixa de frequências.

 


| Clique na imagem para ampliar |

 

 

 

NO YOUTUBE


NOSSO PODCAST