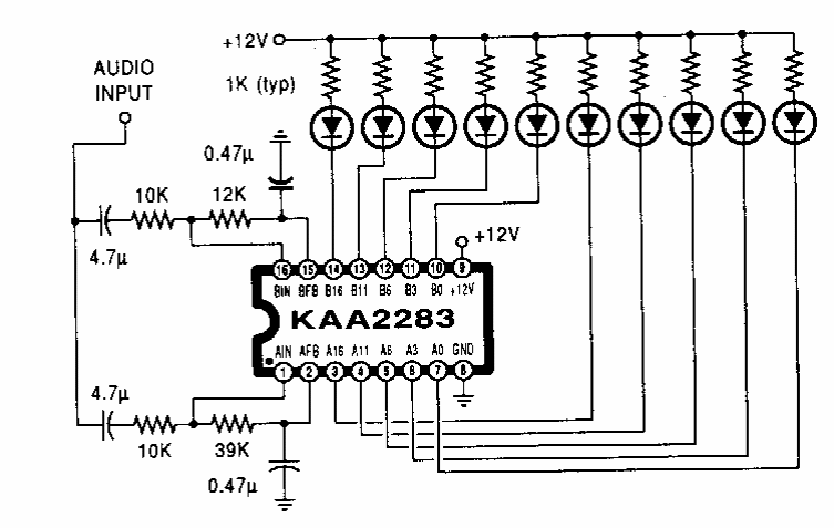
Encontrado numa Radio Electronics dos anos 90, este indicador faz uso de um circuito integrado pouco comum atualmente.

 


| Clique na imagem para ampliar |

 

 

 

NO YOUTUBE


NOSSO PODCAST