Controle de motor de meio passo CIR15797S CB8768E (CIR18761)
Detalhes
Escrito por: Newton C. Braga
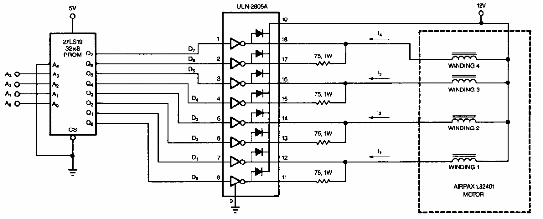
Encontramos este circuito numa EDN dos anos 90. O circuito se baseia num integrado de controle que ainda é comum nesses tipos de aplicações. O circuito usa uma PROM.