Conversor 110 V para 12 VDC CIR15702S CB8674E (CIR18666)
Detalhes
Escrito por: Newton C. Braga
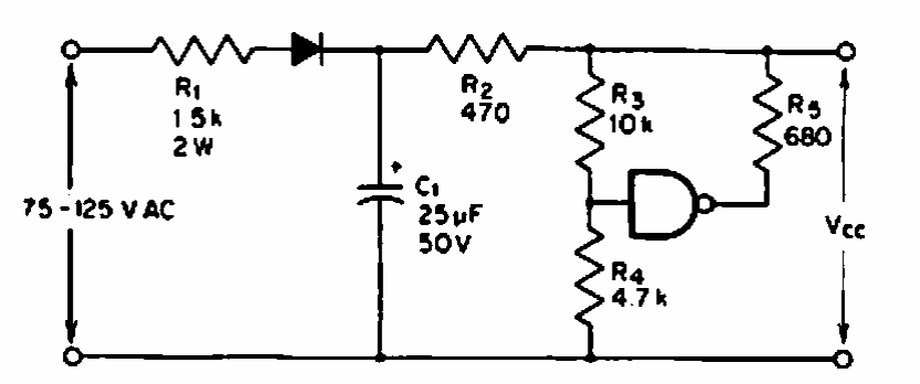
Encontrado numa EEE de 1970, este circuito fornece uma tensão de 12 V DC com corrente de 10 mA a partir da rede de energia. A porta NOR ou NAND usada é TTL.