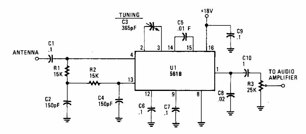
Este circuito receptor foi encontrado numa Hands On Electronics dos anos 90. O circuito usa um PLL 561B que não é um componente comum atualmente.

 


| Clique na imagem para ampliar |

 

 

 

NO YOUTUBE


NOSSO PODCAST