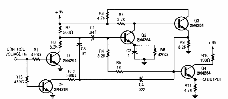
Encontrado numa Popular Electronics dos anos 90, este circuito gera sinais senoidais com frequência controlada por um sinal de entrada.C4, C3 e C1 juntamente com R12 e R3 determinam a frequência gerada.
Encontrado numa Popular Electronics dos anos 90, este circuito gera sinais senoidais com frequência controlada por um sinal de entrada.C4, C3 e C1 juntamente com R12 e R3 determinam a frequência gerada.