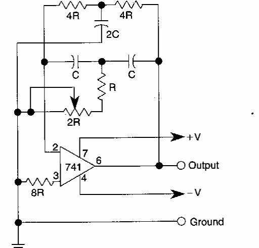
Este circuito foi encontrado numa Electronics Now dos anos 90. Ele gera sinais senoidais conforme os componentes do duplo T determinados pela fórmula junto ao diagrama.


Este circuito foi encontrado numa Electronics Now dos anos 90. Ele gera sinais senoidais conforme os componentes do duplo T determinados pela fórmula junto ao diagrama.

