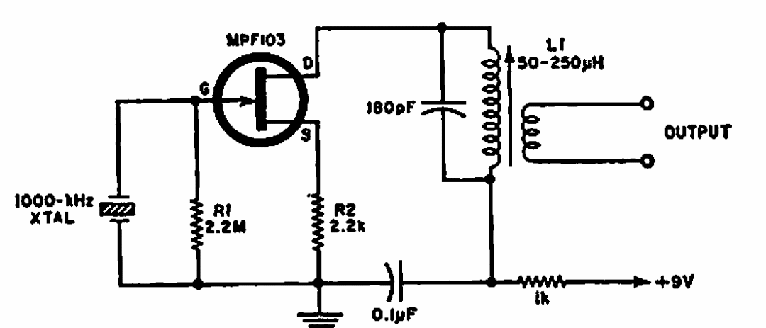
Este circuito foi encontrado numa Electronics World de 1969. O circuito tem uma corrente de dreno de aproximadamente 150 uA. A frequência gerada é de 1 MHz com os componentes usados.
Este circuito foi encontrado numa Electronics World de 1969. O circuito tem uma corrente de dreno de aproximadamente 150 uA. A frequência gerada é de 1 MHz com os componentes usados.