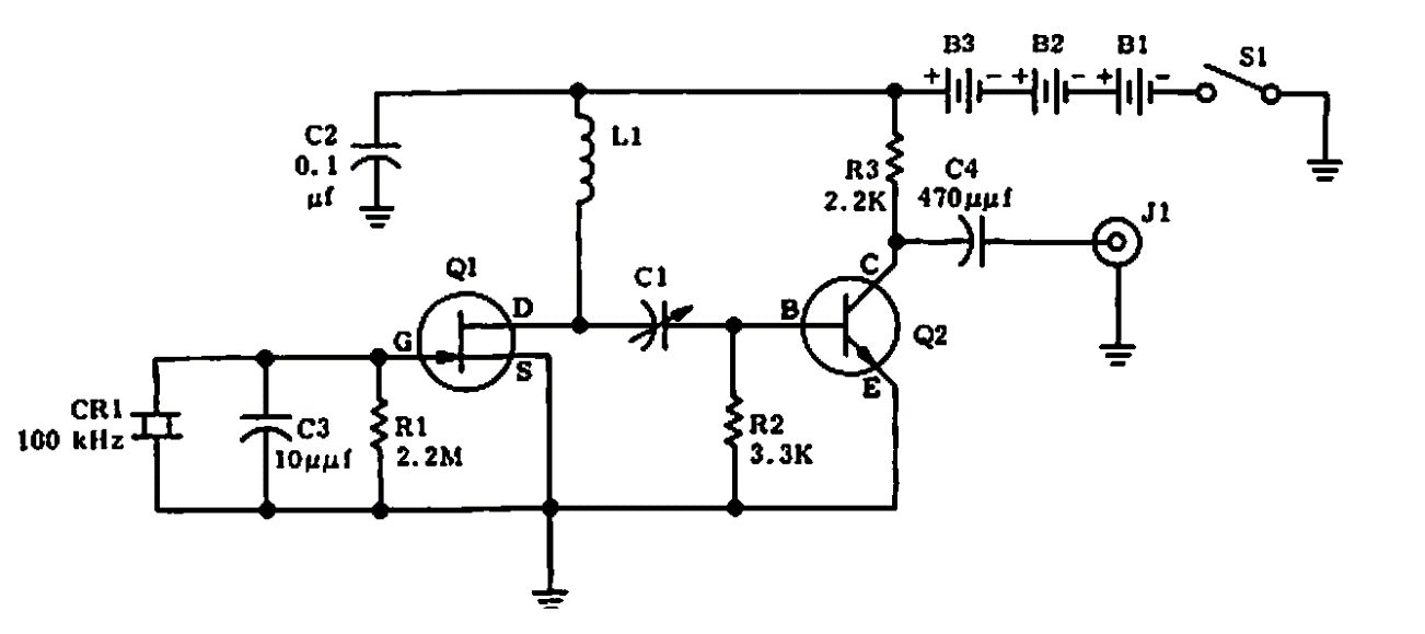
Este oscilador de 100 kHz, foi encontrado numa publicação da Motorola de 1966. Os transistores são de tipos apropriados para a frequência gerada e L1/C1 dependem dessa frequência.
Este oscilador de 100 kHz, foi encontrado numa publicação da Motorola de 1966. Os transistores são de tipos apropriados para a frequência gerada e L1/C1 dependem dessa frequência.