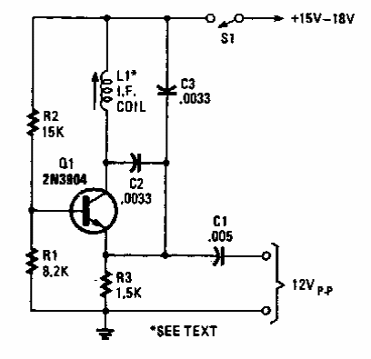
Encontrado numa Popular Electronics dos anos 90, este circuito é indicado para teste e ajuste de rádios AM da época. O transistor é de uso geral.

Encontrado numa Popular Electronics dos anos 90, este circuito é indicado para teste e ajuste de rádios AM da época. O transistor é de uso geral.
