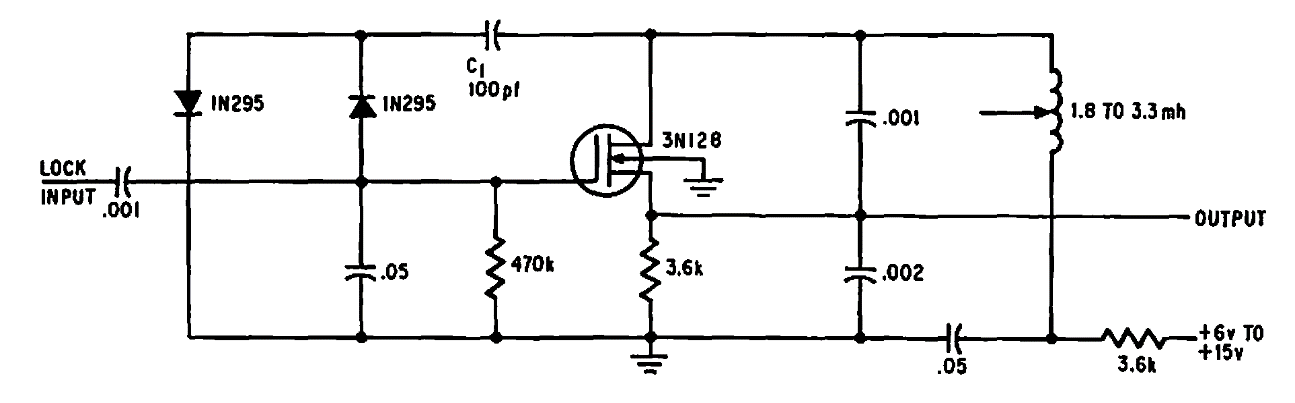
Encontrado numa documentação americana de 1969, este circuito opera em frequência determinada pelo circuito ressonante.

 


| Clique na imagem para ampliar |

 

 

 

NO YOUTUBE


NOSSO PODCAST