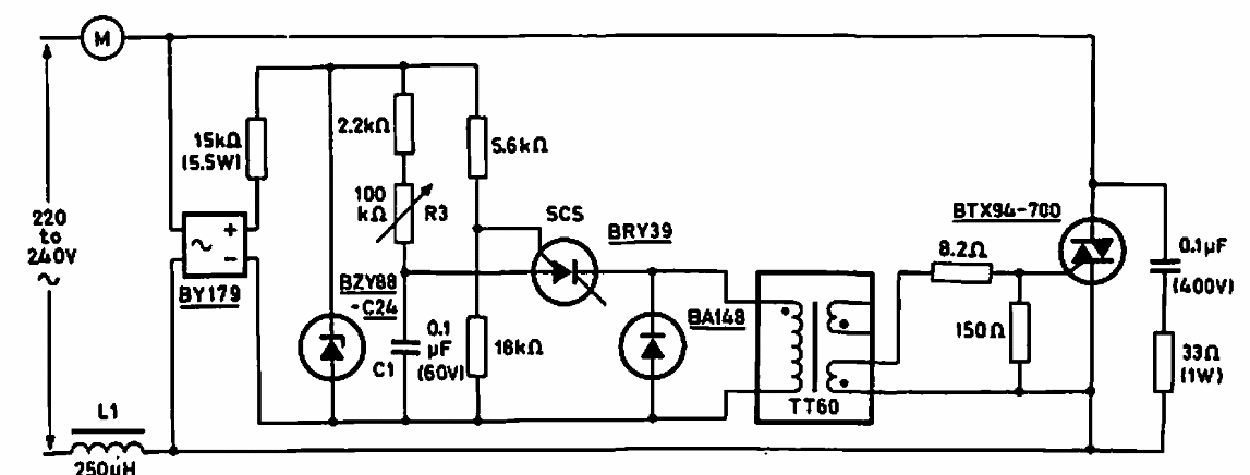
Este potente controle de motor foi encontrado numa publicação da Philips de 1970. Os componentes são da época e o circuito foi projetado para a rede de 220/240 V.

 


| Clique na imagem para ampliar |

 

 

 

NO YOUTUBE


NOSSO PODCAST