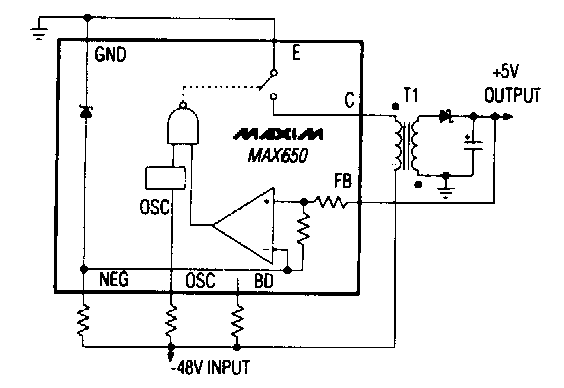
Encontrado numa documentação da Maxim dos anos 90, este circuito produz uma tensão de 5 V a partir de entrada de -48 V, por exemplo, como a encontrada em linhas telefônicas. A corrente de saída é de 250 mA.

Encontrado numa documentação da Maxim dos anos 90, este circuito produz uma tensão de 5 V a partir de entrada de -48 V, por exemplo, como a encontrada em linhas telefônicas. A corrente de saída é de 250 mA.
