Ponte de RF de 50 MHz CIR15034S CB7913E (CIR18002)
Detalhes
Escrito por: Newton C. Braga
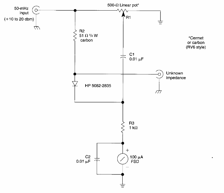
Encontrado numa documentação para radioamadores dos anos 90, este circuito é indicado para medidas de RF em sistemas de transmissão. O potenciômetro deve ser de tipo especial.