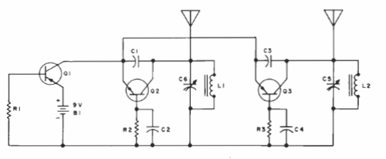
Este circuito simples, que aparece em outros pontos deste site foi encontrado num manual de transistores da Sylvania. O circuito usa um receptor de AM para reprodução captando-os num ponto livre da faixa.


Este circuito simples, que aparece em outros pontos deste site foi encontrado num manual de transistores da Sylvania. O circuito usa um receptor de AM para reprodução captando-os num ponto livre da faixa.

