Filtro ativo rejeitor de banda CIR14726S CB7405E (CIR17690)
Detalhes
Escrito por: Newton C. Braga
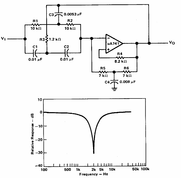
Este filtro foi encontrado numa documentação da Texas Instruments dos anos 80. O circuito usa um operacional comum e tem na figura sua curva de resposta.