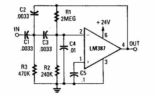
Este filtro de ruído de baixa frequência do motor de toca-discos foi encontrado numa Radio Electronics dos anos 80. O circuito pode ser elaborado com base em operacionais modernos.

Este filtro de ruído de baixa frequência do motor de toca-discos foi encontrado numa Radio Electronics dos anos 80. O circuito pode ser elaborado com base em operacionais modernos.
