Circuito de teste de bateria CIR14516S CB7132E (CIR17479)
Detalhes
Escrito por: Newton C. Braga
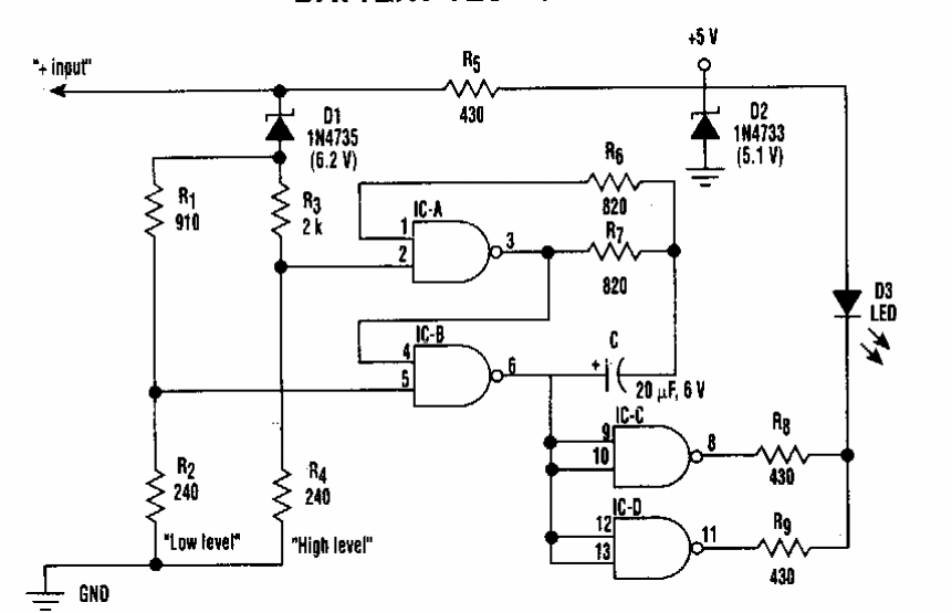
Encontrado numa Electronic Design dos anos 90, este circuito indica três níveis de tensão pelo acionamento do LED de 3 modos: apagado, piscante e aceso para tensão alta.