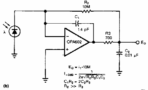
Encontrado numa EDN dos anos 90, este circuito pode ser implementado com amplificadores operacionais modernos. A fonte de alimentação deve ser simétrica.

Encontrado numa EDN dos anos 90, este circuito pode ser implementado com amplificadores operacionais modernos. A fonte de alimentação deve ser simétrica.
