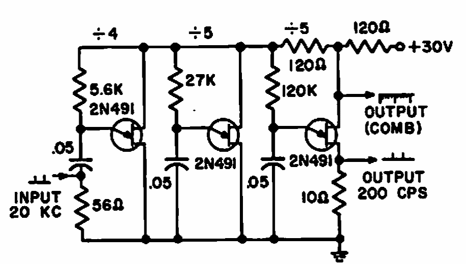
Encontrado em folha de dados da General Electric de 1965, este circuito de baixa frequência divide a frequência de um sinal de 20 kHz por 10 obtendo assim um sinal de 200 Hz.

 

 


| Clique na imagem para ampliar |

 

 

 

NO YOUTUBE


NOSSO PODCAST