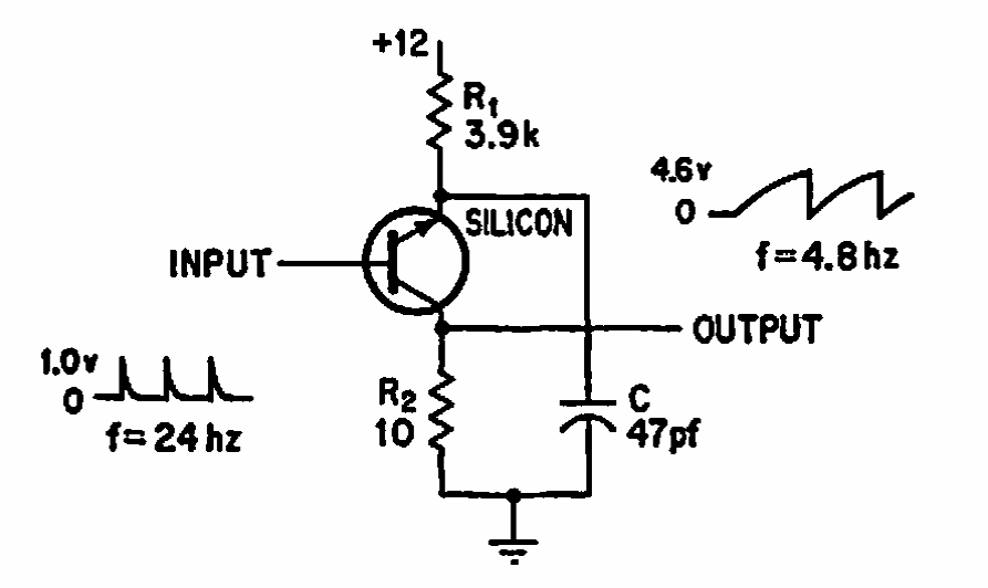
Encontramos este circuito numa documentação americana de 1969. O circuito trabalha com o transistor polarizado no sentido inverso no modo avalanche.

 


| Clique na imagem para ampliar |

 

 

 

NO YOUTUBE


NOSSO PODCAST