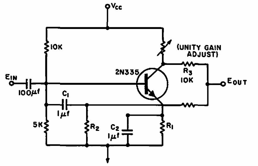
Este circuito foi encontrado numa Electronic Design de 1964. O transistor pode ser um equivalente atual de uso geral. A faixa de frequências vai de 100 a 150 Hz.
Este circuito foi encontrado numa Electronic Design de 1964. O transistor pode ser um equivalente atual de uso geral. A faixa de frequências vai de 100 a 150 Hz.