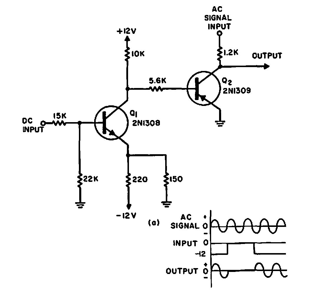
Encontrado numa Electronic Design de 1965, este circuito faz uso de transistores da época. O circuito pode ser implementado com transistores equivalentes modernos. As formas de sinal são dadas junto ao diagrama.
Encontrado numa Electronic Design de 1965, este circuito faz uso de transistores da época. O circuito pode ser implementado com transistores equivalentes modernos. As formas de sinal são dadas junto ao diagrama.