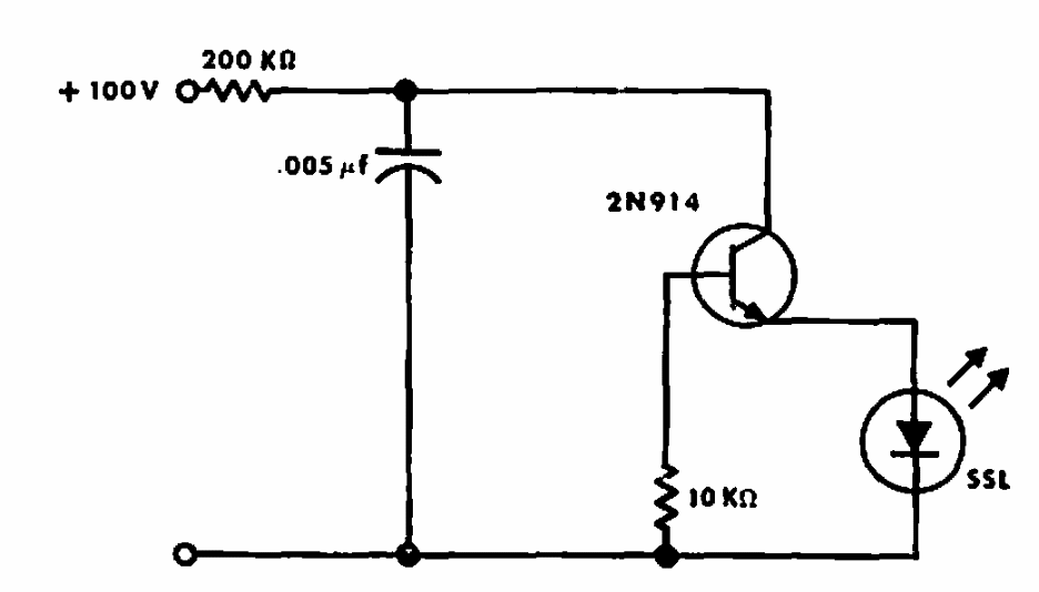
Encontrado numa documentação da General Electric de 1970, este circuito consiste num oscilador de relaxação que usa um transistor da época.

 


| Clique na imagem para ampliar |

 

 

 

NO YOUTUBE


NOSSO PODCAST