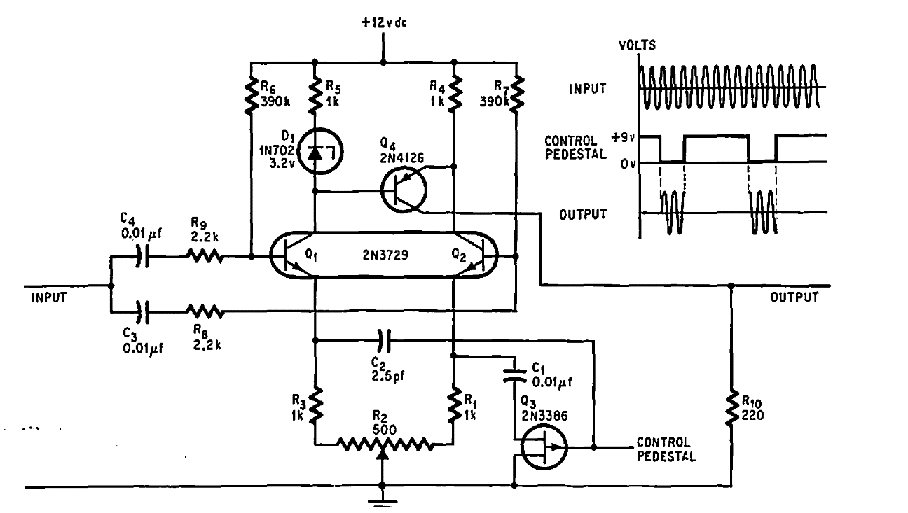
Encontrado numa documentação americana de 1969, este circuito faz uso de um par de transistores casados da época. O circuito admite componentes equivalentes modernos.

 


| Clique na imagem para ampliar |

 

 

 

NO YOUTUBE


NOSSO PODCAST