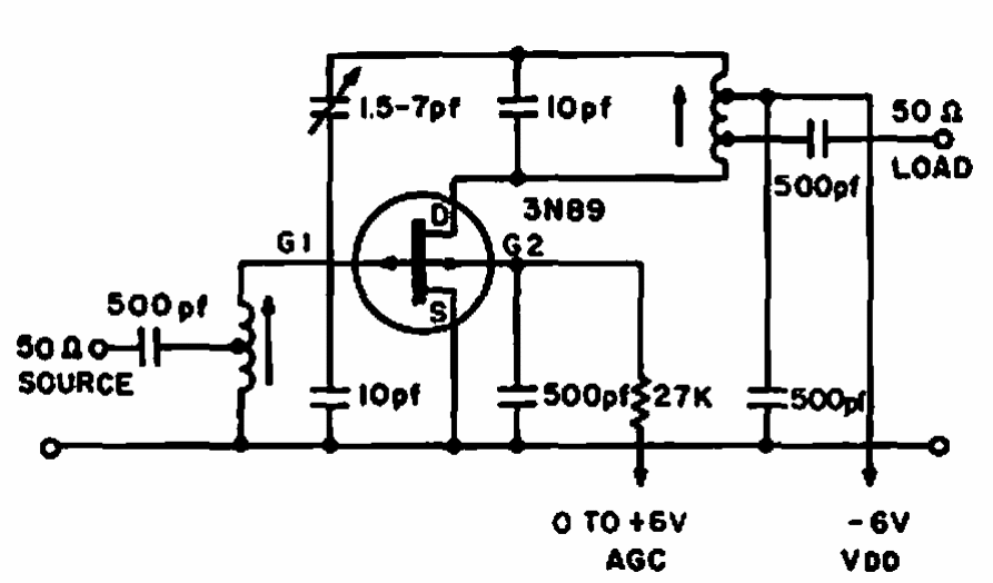
Sugerido por uma Electronic Design de 1965 este circuito tem um ganho de 15 dB em 45 MHz, podendo ser alterado para operar em outras frequências. O FET tetrodo é componente pouco comum atualmente.
Sugerido por uma Electronic Design de 1965 este circuito tem um ganho de 15 dB em 45 MHz, podendo ser alterado para operar em outras frequências. O FET tetrodo é componente pouco comum atualmente.