Amplificador de linha CIR14293S CB6992E (CIR17254)
Detalhes
Escrito por: Newton C. Braga
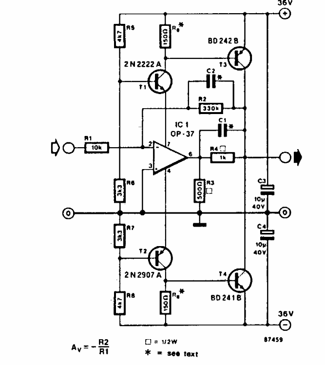
Este circuito foi encontrado numa documentação americana antiga. Ele fornece um sinal de 70 Vpp em frequências até 100 kHz. Observe a alta tensão de alimentação.