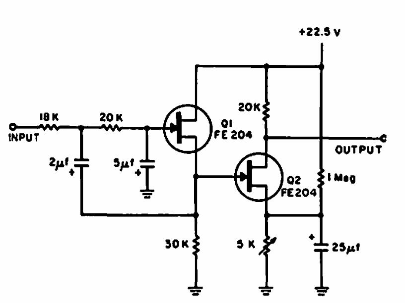
Este circuito de muito baixa frequência foi encontrado numa Electronic Design de 1964. Os transistores podem ser equivalentes modernos. O filtro é do tipo passa baixas.

 


| Clique na imagem para ampliar |

 

 

 

NO YOUTUBE


NOSSO PODCAST