Os medidores elétricos são componentes que medem quantidades elétricas e indicam a quantidade medida. O Galvanômetro é um instrumento que indica correntes elétricas muito pequenas. Embora a deflexão de um galvanômetro resulte da passagem da corrente na bobina móvel, a tensão em um circuito fechado que produza essa corrente é frequentemente a grandeza que nos interessa medir. Os galvanômetros podem ser usados balisticamente para integrar uma corrente transiente, como, por exemplo, a da descarga de um capacitor, ou uma tensão transiente, como a produzida quando um indutor se move em relação a um campo magnético.
Osmil Aparecido Morelli
Nota: Artigo publicado na Revista Saber Eletrônica de junho de 1984.
O galvanômetro deve ter alta sensibilidade, resposta razoavelmente rápida e controlada, e também é necessário que as leituras sejam tomadas com precisão e rapidez. O grau de amortecimento do sistema móvel é de muita importância.
O sistema móvel de muitos galvanômetros possui um pequeno espelho que deflete um feixe de luz para fornecer uma informação. Isso serve para amplificar os pequenos movimentos, e numerosas variações têm sido feitas para se obter resultados ótimos em um espaço limitado.
Galvanômetro de D'Arsonval
Seu sistema indicador consiste de uma leve bobina suspensa por um fio de cobre ou ouro bem fino. Esta bobina, livre para girar entre os polos de um imã permanente, carrega um pequeno espelho que serve como ponteiro ótico e que indica a posição da bobina pela reflexão de um feixe de luz sobre uma escala fixa.
A corrente entra e sai na bobina pelos fios de suspensão. O momento que deflete o sistema indicador é produzido pela reação da corrente na bobina com o campo magnético no qual está suspenso.
Princípio do Mecanismo da Bobina Móvel
Este tipo de medidor tem sua operação dependente da reação entre uma bobina, percorrida por uma corrente contínua e um campo magnético fixo. As linhas de força magnética produzidas pela corrente no fio combinam-se com aquelas do campo magnético permanente em que a bobina está situada, e como consequência, a bobina é obrigada a se mover em relação ao campo magnético permanente. Devido a sua construção a bobina gira. (fig. 1 )

Suponhamos que uma espira de fio esteja no campo magnético de um ímã cujos polos são côncavos, de modo que o campo magnético durante a rotação da bobina seja sempre radial e uniforme, a fim de que a força de torção aumente uniformemente com o aumento de corrente. Estabeleçamos uma corrente que de início seja contínua e constante com o tempo. O resultado está na fig. 2 onde a vista em corte mostra as linhas de força magnética

Observa-se que acima do condutor B as linhas de força do ímã e do fio estão no mesmo sentido, o condutor B é, portanto, forçado para baixo. O mesmo ocorre abaixo do condutor A, de modo que ele é forçado para cima.
Construindo-se a bobina com várias espiras aumenta-se o efeito e o mesmo momento de torção pode ser obtido com uma menor corrente na bobina. Molas de balanço, situadas em cada extremidade do eixo, exercem forças de torção opostas sobre a bobina e portanto, permitindo pelo controle de suas tensões, a ajustagem do ponteiro do medidor, de forma que ele indique zero quando não houver corrente. Além de fornecer a necessária tensão, as molas são usadas também para conduzir a corrente dos terminais do medidor até a bobina.

Bobina Percorrida por Corrente Contínua Pulsativa
Os galvanômetros são usados para frequências altas. O ponteiro não é capaz de seguir os pulsos da corrente, por causa da resistência que existe em todo dispositivo que faz o ponteiro girar, e este marca um valor que é a posição média dos pulsos de corrente.
Resistência da Bobina
Salientamos que um aumento no número de espiras da bobina reduz a corrente necessária à obtenção de um determinado momento de torção ou deflexão do ponteiro. Consequentemente, os medidores projetados para deflexão total com correntes menores devem ter maior número de espiras na bobina. Tais medidores são designados como mais sensíveis. Quanto menor a corrente necessária para a deflexão total de um medidor, maior a sua sensibilidade. Cada medidor de bobina móvel possui também sua resistência própria à Corrente Contínua (C.C.).
Como os medidores sensíveis são os que possuem maior número de espiras, são eles também os que possuem maior resistência da bobina. A resistência do medidor é um fator cujo conhecimento é importante porque essa resistência limita sua utilidade nas medidas práticas de corrente e tensão em circuitos eletrônicos.
Calibração da Escala
Vimos que a força que tende a fazer girar o conjunto da bobina móvel é proporcional à corrente na bobina. Por outro lado, a resistência à torção das molas é diretamente proporcional ao ângulo de rotação a partir da posição de repouso (zero).
Esses dois fatos conduzem à conclusão de que o deslocamento do ponteiro sobre a escala do medidor é diretamente proporcional à corrente. Quando existe uma relação desse tipo diz que a escala é linear.
As escalas dos amperímetros podem ser alteradas, usando-se ímãs de diferentes potências, ou verificando-se o número de espiras da bobina, pois qualquer dessas mudanças vai alterar a intensidade da corrente necessária para a deflexão do ponteiro. Todavia, o condutor usado no andamento da bobina deve ter uma dimensão adequada para suportar a corrente máxima para a qual o medidor foi planejado, e assim a mudança das dimensões do condutor será possível apenas quando se tratar de correntes reduzidas, pois não se pode usar condutores de grandes dimensões em uma bobina móvel.
A fim de manter os condutores com pequenas dimensões, os dispositivos básicos dos medidores são normalmente limitados a correntes máximas de 1 miliampères ou menores ainda. Além disso, para usar o medidor em mais de uma escala, é impraticável trocar o ímã ou a bobina cada vez que se deseja alterá-la.
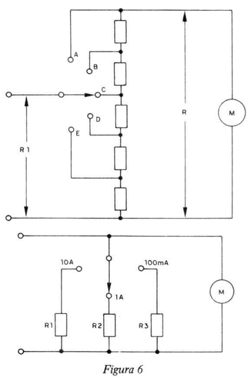
Para Medir Correntes Grandes — Shunt — Escalas Múltiplas
Para medir grandes correntes, o medidor de escala baixa é usado com um shunt, que é um condutor de grande seção, ligado em paralelo com o medidor, para conduzir a maior parte da corrente.

Esta derivação faz com que uma parte da corrente total circule na bobina do medidor. Normalmente, para se conseguir uma determinada escala, usa-se um medidor de escala 0-1 miliampères, com uma derivação (shunt) de seção apropriada, ligada aos seus terminais.
O miliamperímetro de escala 0-1 miliampères é o dispositivo básico de diversos tipos de medidores que se encontram na prática.
Desde que a corrente que passe pelo medidor conserve uma proporcionalidade conhecida, para a corrente total do circuito, a escala do medidor pode ser calibrada de modo a indicar a corrente total que corresponde a qualquer valor de corrente que passe pelo medidor.
Exemplo: Suponha um medidor de C.C. de corrente 1 mA e de resistência de bobina 100 ohms. Se esse medidor possuir em paralelo um resistor de 100 ohms, metade da corrente circulará pelo medidor e metade pelo shunt. Com uma relação de 1: 1 entre a resistência em derivação e a resistência do medidor, uma modificação no fim da escala do medidor significa que no circuito haveria duas vezes mais corrente que a indicada pelo instrumento.
Alguns amperímetros são constituídos com um determinado número de derivações internas e com uma chave de várias posições, para que se possa medir correntes diversas com um único dispositivo básico de medida.
Um único dispositivo pode ser usado como um amperímetro de escala múltipla. No mostrador do medidor é acrescentada uma graduação para cada escala existente.


Rs = resistência shunt
Rm = resistência da bobina
N = fator de multiplicação da escala do medidor
A prática de se fabricarem "shunts" para medidores de correntes não é recomendável, exceto, talvez, quando o valor da resistência exigido é relativamente grande, como, por exemplo, um ohm ou mais. Fatores de multiplicação muito grandes exigem shunts de resistência muito baixa, devido à baixa resistência, o que exige processos de fabricação muito precisos. Existem shunts universais disponíveis para multiplicadores de escalas de corrente. Podem ser empregados com medidores de qualquer resistência de bobina.
Tais shunts, constam de um dispositivo potenciométrico, onde o fator multiplicativo da escala de corrente é função da relação R/R1 igual a 1, 10, 100, 300 e 1 000, nas várias posições da chave, a escala de corrente será multiplicada exatamente pelo fator correspondente à posição da chave. O único requisito existente é o de que a resistência total (R) seja tal que, com a chave seletora na posição A, o medidor leia deflexão total. Isso pode ser possível com o auxílio de uma resistência adicional variável que é posta em paralelo com todo o divisor.
Importância da Polaridade
O campo magnético permanente em que gira a bobina móvel é fornecido pelo ímã permanente. Esse campo é constante e unidirecional. Em outras palavras, o polo Norte permanece Norte e o polo Sul permanece Sul. Por essa razão, a corrente na bobina deve ter a polaridade apropriada, circulando no sentido conveniente de modo a produzir a deflexão normal no ponteiro.
Consequentemente, para que o instrumento dê a indicação desejada, a polaridade dos terminais do medidor de bobina móvel deve ser levada em consideração ao se fazerem as ligações. Em muitos instrumentos essa polaridade é indicada na caixa, junto de cada terminal ou no próprio terminal.
Galvanômetro de Zero Central
Tem indicação do zero de corrente no centro da escala, em vez de na extremidade esquerda. Nesse galvanômetro a bobina móvel é suportada de modo a poder mover o ponteiro em qualquer direção a partir de sua posição central.
O Medidor tem uma Queda de Tensão
O mecanismo do medidor apresenta alguma resistência à passagem de corrente; consequentemente, observa-se na bobina uma queda de potencial (tensão), uma queda igual ao produto da corrente pela resistência. Tal queda de tensão é muito pequena. O que nos interessa é que enquanto nós encaramos o medidor como sendo um elemento operado por corrente; ele também é um voltímetro.
O voltímetro cuja escala tem seu limite superior até à máxima queda de R1 estabelecida na bobina quando o medidor indica corrente máxima.
O princípio do multiplicador de tensão é o mesmo do multiplicador de corrente, a menos que a resistência shunt vá em série para medir tensões.
Efeito da introdução do medidor de corrente em série com um circuito equivale a se adicionar resistência e indutância em série com o circuito. Num circuito de corrente contínua a indutância da bobina do medidor não é de importância. Porém, a resistência tende a diminuir a corrente no circuito. Saber se esta redução é significativa depende da resistência do circuito original (sem o medidor) e da resistência desse mesmo circuito incluindo o medidor.


Rc = resistência total do circuito sem o medidor
Rm = resistência do medidor
Tal fórmula fornece o decréscimo percentual da corrente no circuito devido a presença do medidor. Se, por exemplo, a resistência do circuito for de 2 ohms e a do medidor 0,05 ohms, a corrente indi-0,05 2 + 0,05 cada estará diminuída de [ 0,05 / ( 2 + 0,05 ) ] / 100 = 2,4%
Sensibilidade em Ohms por Volt
Os mecanismos de medidores que com mínimas correntes provocam a deflexão máxima dos ponteiros, são mais sensíveis, porque têm melhor resposta às correntes de menor intensidade.
Outro método é empregado para designar sua sensibilidade, quando um medidor é utilizado como voltímetro, apesar de ambos indicarem a mesma coisa. Diz-se nesse segundo método que em um medidor tem tantos "ohms por volt". E isso se explica, não só ao mecanismo do medidor, como também à sua combinação com qualquer resistor multiplicador. Na realidade, a sensibilidade em ohms por volt depende apenas da corrente correspondente à deflexão máxima.
sensibilidade R / V = R/Ri = 1/i
Onde:
R = resistência
V = voltagem máxima indicada pelo instrumento.
Logo, a sensibilidade é o inverso da corrente máxima indicada pelo galvanômetro (numericamente).
Por que tanto interesse de nossa parte na sensibilidade em ohms por volt? Porque se a resistência de um voltímetro for muito baixa, posto em um circuito de alta impedância, ele poderá representar uma carga e causar uma leitura errada de tensão. Com o auxílio da sensibilidade em ohms por volt pode-se calcular a resistência total que um voltímetro, posto numa determinada escala, representa e, consequentemente, saber qual a influência que ele exercerá sobre o circuita: em que se fazem as medidas.
Determinação dos Limites das Escalas Desconhecidas
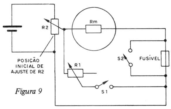
Para termos a deflexão máxima da corrente no nosso medidor de escala desconhecida, acoplamos outro medidor de boa precisão em série. Variamos o potenciômetro até máxima deflexão do ponteiro. Temos o correspondente valor no medidor de comparação e achamos o máximo valor da deflexão. Isso ocorre porque muitas vezes nos chegam às mãos medidas sem nenhuma escala.

Determinação da Resistência do Medidor:
1. Ajusta-se R2 até a máxima deflexão no medidor, com R1 fora do circuito.
2. Com R1 no circuito e R2 já regulado, ajusta-se até dar um valor de R1 tal que a deflexão no medidor caia à metade.
O fato básico em que se apoia este método é o de que, quando a deflexão no medidor se reduz à metade da escala, a corrente deverá ser dividida igualmente entre o medidor e R1, desse modo, R1 é igual à resistência do medidor. Re e R1 são tão pequenos comparados com R2 que é válida a hipótese de que a corrente total permaneça a mesma com ou sem R1.

Introduzindo-o em um Circuito de Corrente Alternada
O dispositivo mais sensível é o que emprega o retificador em ponte. Quatro unidades retificadoras são ligadas entre si. Quando a fonte de tensão a medir tem uma polaridade, um par de retificadores conduz, e quando a fonte tem a polaridade oposta, é outro par que conduz.

Portanto, esses voltímetros (AC) de multímetros só servem para medir Tensões Senoidais Puras.
Os retificadores de óxido de cobre são sujeitos a certas limitações que afetam a sua aplicação e a precisão das leituras. As características do retificador variam com a temperatura e condição de sobrecarga. A resistência do retificador também se modifica à variação da corrente através do mesmo. Esse último efeito é da maior importância em regi-me de baixas correntes (quando correntes de valor baixo circulam no medidor). Nessa condição a resistência direta (no sentido da condução do retificador) aumenta para valores baixos de corrente. Consequentemente, a escala do medidor a retificador, projetada para a medida de pequenos valores de C.A., é mais centrada próximo ao extremo inferior. Além disso, a calibração feita para corrente
alternada não serve para medidas em C.C. Para valores elevados, o medidor a retificador é comparativamente linear e emprega uma escala substancialmente uniforme. É importante ressaltarmos que um medidor de bobina móvel, operado somente por correntes, tem inúmeros usos, para medidas das mais variadas quantidades elétricas.
Medidores de Ferro Móvel e Eletrostáticos
Princípio de Funcionamento
Já sabemos da existência de forças de atração e repulsão entre dois ímãs. Aprendemos também que se produz um campo magnético à volta de um fio ou de uma bobina quando estes são percorridos por uma corrente elétrica cujo sentido de circulação determina o sentido do campo magnético. Torna-se evidente que uma bobina percorrida por uma corrente atrai uma barra de ferro doce. Podemos facilmente evidenciar este efeito com o dispositivo indicado na figura 11.

Suspende-se uma barra de ferro doce através de uma mola, ficando a outra extremidade da barra sobre uma bobina percorrida por uma corrente. O campo magnético da bobina magnetizará o ferro doce, ou em outras palavras, o campo magnético influenciará os ímãs elementares da barra de tal modo que todos os polos sul destes pequenos ímãs se voltam para o polo norte do campo magnético da bobina. O mesmo fenômeno acontecerá se a barra de ferro doce se aproximar do polo sul do campo magnético da bobina, isto é, quando o sentido da corrente na bobina se inverter. Se a intensidade da corrente aumentar, a intensidade do campo magnético dentro e à volta da bobina aumentará do mesmo modo, e a força de atração da barra de ferro doce tornar-se-á maior também. Nestas circunstâncias, a barra de ferro doce será atraída para o interior da bobina. É este o princípio no qual se baseia um tipo de aparelho de medida de ferro móvel, o tipo de "ímã atraído". Contudo, este tipo de aparelho de medida de ferro móvel, mais geralmente usado, é baseado no princípio de repulsão, representado na figura 12; é constituído por uma bobina com duas pequenas peças de ferro doce, uma das quais é fixa (a) e a outra (b) gira livremente em torno de um eixo. A esta segunda peça está presa uma agulha ou ponteiro.

Quando a corrente passa na bobina, produz um campo magnético que magnetiza as peças de ferro. Uma vez que estas peças estão dispostas da mesma maneira no interior da bobina, serão igualmente magnetizadas e, portanto, os polos do mesmo nome (2 sul e 2 norte) nas duas peças, ficam frente a frente. Como resultado, a peça móvel se afasta da fixa por repulsão: esta repulsão é mais intensa quanto mais intenso for o magnetismo e, portanto, quanto maior for a corrente que passa na bobina.
Construção
Se apenas existir a força de repulsão, o ponteiro indicará um desvio máximo, visto que, fora o atrito nos rolamentos do eixo, não existe nenhuma outra força para se opor ao movimento. Necessitamos, portanto, de uma segunda força, em oposição à primeira, para assegurar que o movimento do ponteiro corresponda ao valor da corrente que se quer medir.
Para ilustrar melhor esta ação, reparemos na balança da figura 13.
Se apenas utilizarmos o prato esquerdo da balança, quer coloquemos nela 1 Kg de maçãs quer 1/2Kg, observaremos que esse prato desce o mais possível e o ponteiro se desloca para a direita até o fim. Mas, colocando agora um peso adequado no prato direito, podemos conseguir um estado de equilíbrio, desde que a força exercida pelo peso seja equivalente à das maçãs. Voltando ao nosso aparelho de medida, é agora evidente a necessidade de qualquer força opositora que iguale precisamente a força desenvolvida pelo ímã móvel do aparelho. Atualmente, usa-se quase sempre uma mola em espiral (figura 14-d e 19-g) para proporcionar esta resistência ou "binário resistente". Como uma extremidade da mola está ligada ao ponteiro, quando este se move, a mola enrola-se, produzindo a força resistente.


Quanto mais o ponteiro se deslocar ao longo da escala, mais a mola se enrola. A outra extremidade da mola está presa a uma pequena alavanca engrenada num pino excêntrico (f); podemos ajustar o ponteiro para zero rodando o pino "f" que comanda a alavanca "e".
Compreende-se que é da maior importância para uma medida precisa que o ponteiro possa mover-se com extrema facilidade. Deve, por isso, haver muito pouco atrito nos apoios do ponteiro, o que se consegue com extremidades cônicas girando em apoios de bronze ou ágata (figura 15).

É também muito importante que o ponteiro esteja compensado: para isso prendem-se à extremidade inferior do ponteiro, dois pequenos pinos (figuras 14-b e 19-e). Estes pinos são algumas vezes rosqueados, podendo fazer subir ou descer pequeninos contrapesos ao longo deles. Fazendo subir um peso e fazendo descer outro, o equilíbrio pode ser mudado para a esquerda ou para a direita.
Deste modo o ponteiro pode ser compensado. Faz-se esta operação durante a fabricação do aparelho, ajustando-se os pesos até que o ponteiro fique perfeitamente equilibrado em todas as direções.
Os ponteiros para aparelhos de medida têm várias formas, dependendo do grau de precisão desejado. O tipo mais simples, mas também o menos rigoroso, é constituído por uma ponta de seta mais ou menos espessa (figura 16). Como sempre deve haver espaço entre o ponteiro e a escala, há mais possibilidades de existirem erros de leitura (erros de paralaxe) com um ponteiro grosso.

Observando a figura 16, podemos ver facilmente como este erro pode ocorrer. A posição correta do olho é em A, precisamente na direção do ponteiro C e a leitura corresponde ao ponto "a".
Mas, se o olho se deslocar um pouco para os lados, por exemplo para a posição B, temos a impressão de que a deflexão do ponteiro é maior ou menor, dependendo se estamos a ver à direita ou esquerda da posição correta. Na figura 16 o erro de leitura é igual à distância b-a da escala.
Para evitar este erro de paralaxe usa-se muitas vezes um ponteiro com a extremidade pontiaguda. Não haverá erro de paralaxe desde que se olhe o ponteiro bem de frente, de forma a vê-lo como uma linha. Algumas vezes a escala esta combinada com um espelho; neste caso a leitura estará correta quando virmos o ponteiro na mesma direção que sua imagem no espelho. Outras vezes ainda, e em combinação com a escala e espelho, utiliza-se um ponteiro com cabelo (figura 17). Este é simplesmente um fio fino "b", esticado na extremidade do ponteiro. As outras letras na figura 17 indicam o espelho "c" e por cima dele, a escala "d".

Amortecimento
Quando uma corrente percorre a bobina e obriga o ponteiro a desviar-se para uma determinada divisão da escala, o ponteiro oscilará por um certo tempo, antes de estacionar, a não ser que se tomem medidas para evitar essas oscilações. Como elas representam um inconveniente, os aparelhos de medida são sempre equipados com um sistema de amortecimento que assegura que o ponteiro atinja a sua posição e fique estacionário sem praticamente haver vibração.
É uso corrente aplicar amortecimento de ar (figura 14 e 19) nos aparelhos de medida de ferro móvel. No ponteiro está presa uma delgada chapa de alumínio (chamada placa de amortecimento) que se move com dificuldade num espaço quase totalmente fechado, designado por caixa de amortecimento (figura 19-k). Assim, quando o ponteiro quer oscilar rapidamente, o ar da caixa de amortecimento oferece resistência ao movimento do ponteiro, amortecendo as oscilações em pouco tempo.
Escala
Em muitos casos é conveniente que a escala graduada dos aparelhos de medida seja linear, isto é, que o desvio do ponteiro varie linearmente com a tensão ou corrente a medir. As graduações ao longo de toda a escala serão uniformes (um aumento linear no desvio do ponteiro significa que, duplicando a corrente ou a tensão a medir, duplica também o desvio do ponteiro: uma corrente 3 vezes maior, etc.).
Se não forem tomadas precauções especiais no projeto do aparelho de medida, a escala de um aparelho de ferro móvel não será linear, mas sim quadrática, isto é, duplicando a corrente, produz-se um desvio que é 22 = 4 vezes maior; triplicando a corrente, o desvio vem 32 = 9 vezes maior, etc. Esta propriedade quadrática está intimamente associada com o princípio de funcionamento do aparelho de ferro móvel; por isso se encontra muitas vezes neste tipo de aparelho uma escala não uniforme.
Quando a intensidade da corrente duplica, a intensidade do campo magnético da bobina também duplica e, portanto, o magnetismo de duas das peças de ferro no seu interior torna-se duas vezes maior. Uma vez que a força de repulsão entre duas peças de ferro depende do magnetismo entre ambas as peças, a força de repulsão aumenta 2 x 2 = 4. Por isso a escala de um aparelho de ferro móvel terá a forma indicada na figura 18-a. Esta escala é pouco prática, porque aproximadamente 1/5 dela (no começo) está de tal modo apertado, que não se pode utilizá-la.

Com o fim de tornar a escala mais uniforme, deu-se às peças de ferro na bobina a forma indicada na figura 19-c. Assim, a força de repulsão, a partir de uma certa intensidade, fica quase constante, mesmo que a intensidade da corrente aumente. Ainda assim a escala continuará um pouco quadrática no começo, mas será quase linear ao longo da maior parte da sua zona útil (figura 18-b).
Construção do Conjunto
A figura 19 mostra um desenho simplificado da construção de um aparelho completo de medida de ferro móvel. Neste desenho, "a" é a bobina através da qual passa a corrente; "c" e "d" são as peças de desvio na bobina, entre as quais a força de repulsão varia quando variar a intensidade de corrente; "g" é uma mola em espiral, para o binário resistente.
Ligada ao ponteiro "i" há a placa de amortecimento "j" que se move na caixa de amortecimento "k", fechada pela pequena chapa "h".
Uma extremidade da mola em espiral "g" está presa à peça "f". Na frente do espelho está um pino excêntrico que entra na fenda da peça "f", dando assim a possibilidade de variar a tensão da mola e, portanto, ajustar o ponteiro ao zero.


Os terminais "b" estão ligados à bobina e são os terminais do aparelho de medida. Para indicar que o aparelho é do tipo de ferro móvel ou magnético, a escala é marcada com o símbolo representado na figura 20.
O Voltímetro Eletrostático
Quando se esfrega um bastão de vidro com um tecido de seda, o vidro perde elétrons que se depositam na seda. Houve a realização de um trabalho para que os elétrons passassem de um a outro e, como consequência, teremos o tecido carregado negativamente e o bastão positivamente. Para tirar elétrons de um corpo é necessário a realização de um trabalho. Os elétrons carregados negativamente mantêm-se em seu lugar devido às forças de atração entre eles e o núcleo positivo dos átomos do corpo. Para separar duas cargas é necessário gastar energia, embora esta não se perca, pois é armazenada sob forma de energia potencial. Isto quer dizer que se pode realizar um trabalho a partir dela. Por exemplo, se o bastão carregado positivamente é posto perto de uma superfície descarregada (ligada à terra), uma faísca saltará entre ambos. A faísca é uma forma de corrente elétrica. A energia potencial do bastão converteu-se em energia elétrica e também em energia luminosa e calorífica na faísca. Quando se arma um circuito elétrico ligando os terminais de uma bateria, os elétrons podem percorrer o circuito porque recebem energia da mesma. A água pode descer pelo tubo porque tem energia potencial quando armazenada no recipiente. Analogamente, a energia necessária para que os elétrons se movam vem do potencial armazenado na bateria. Nesta, os elétrons possuem energia porque uma placa (negativa) tem excesso deles, enquanto a outra (positiva) não tem nenhum. Quando um fio condutor é ligado entre as duas placas, os elétrons, ao tentar equilibrá-las, passam de negativo para o positivo. Deste modo, a bateria produz uma queda de potencial graças à qual os elétrons fluem, como um tubo ligado a um depósito de água faz com que o mesmo esvazie. Sempre que os elétrons fluem de um ponto a outro do circuito, deve haver uma fonte de energia potencial que os impulsione. Isto pode ser verificado com uma pilha seca ou bateria, ou então com um dínamo ou gerador. Entre os terminais de saída de qualquer um há uma diferença de potencial, que é medida em volts.
Num voltímetro eletrostático, um terminal é ligado a uma lâmina metálica móvel, que pode girar sobre um eixo. Seu movimento é limitado por uma mola. Ao movimentar-se, gira até um eletrodo metálico, ligado ao segundo terminal. Quando as placas do capacitor são ligadas aos dois terminais, a lâmina se carrega positivamente e o eletrodo negativamente. Assim, o eletrodo atrai um ponteiro ligado à lâmina de modo a girar com ela, permitindo a leitura de uma escala.
















