Uma maneira simples de analisar-se o defeito em forno de micro-ondas ou de outro eletrodoméstico qualquer é medindo-se a corrente consumida pelo mesmo. Para isso, devemos dispor de um medidor de corrente alternada (CA), pois através da corrente medida, temos uma ideia mais completa do seu funcionamento é até mesmo onde localiza-se o defeito. O medidor descrito a seguir é barato, simples de ser operado, sendo muito prático, podendo ser fixado na bancada de trabalho, tornando-se então uma ferramenta indispensável nas oficinas dos técnicos que se dedicam à manutenção de fornos de micro-ondas. Através de pequenas alterações também pode ser usado para medir-se corrente CA de outros eletrodomésticos.
Francisco Bezerra Filho
Nota: Artigo publicado na revista Eletrônica Total 145 de 2010.
Descrição do diagrama elétrico
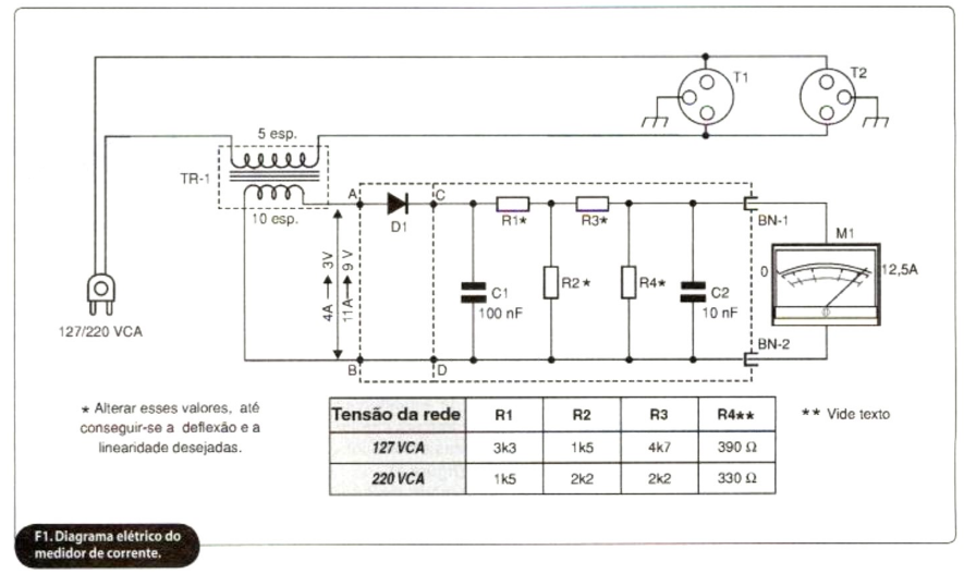
O medidor proposto consiste basicamente de um transformador, com o primário ligado em série com uma das fases da tensão de alimentação do forno. No primário, tem um enrola- mento com cinco espiras e no secundário outro com dez. (figura 1)
O fio usado no primário deve ter uma bitola igual ou superior a 2,5 mm2 (≥ 2,5 mm2), de maneira a suportar uma corrente igual ou superior a 11 A. Quanto ao fio utilizado no secundário, este pode ser bem mais fino, pois a corrente que irá circular por ele é baixa, não indo além de 100 mA.
As chapas empregadas no núcleo do transformador devem ser de boa qualidade, de alto fluxo, para não saturarem quando circular pelo primário uma corrente igual ou superior a 11 A. Nesta função podem ser uti- lizadas chapas do núcleo de um transformador usado em fonte de alimentação de 2 A, encontrado em qualquer sucata. Quando circula uma corrente pelo enrolamento do primário, esta induz uma tensão no secundário, proporcional à corrente circulante.
A tensão induzida, medida entre os pontos A e B, figura 1, deve aumentar linearmente com o aumento da corrente que circula pelo primário. A função do diodo D1 é de converter a corrente alternada, induzida no secundário, em contínua, empregada para deflexionar o ponteiro do medidor M1, com a escala graduada de 0-12,5 A.
Descrição de um medidor M,
No lugar do medidor M1, temos duas opções: uma delas é de usar um miliamperímetro para corrente contínua, com escala de 0-25 mA, o que é uma solução muito cara. A outra consiste em utilizar uma escala de corrente contínua do próprio medidor analógico usado na bancada, também de 0-25 mA (ou ainda, utilizar um medi- dor que esteja fora de uso, mas que a escala de corrente contínua esteja funcionando corretamente).
Os fornos de micro-ondas, quando alimentados em 127 VCA, consomem em torno de 11 A. Como a escala do medidor empregado vai de 0-25 mA, para medir-se os 11 A, devemos dividir o valor da escala por dois. Com isso, cada divisão passa a valer 0,5 A. Desse modo, podemos medir no máximo 12,5 A.
Ajuste dos dois pontos e da linearidade da escala
A aferição da escala é a parte mais complicada e que exige mais cuidado e atenção na sua execução. O ajuste dos dois pontos e da linearidade é feita procedendo-se da seguinte maneira:
• Para aferir a escala do medidor, devemos usar um forno, alimentado em 127 VCA, que esteja operando corretamente, ligando-o em uma das tomadas T1 ou T2.
• Desconectar os fios do filamento da magnetron e colocar o forno em operação. O ponteiro deve deflexionar até a posição das 8 divisões, figura 2. Se, isto não acontecer, devemos alterar os valores de R1 e R2 até consegui-lo.
• Devemos ligar novamente os fios do filamento e pôr o forno outra vez em operação, o ponteiro então deverá deslocar-se até as 22 divisões. Se isto não acontecer, significa que há problema de linearidade.
Para resolver a questão da linearidade, temos que determinar primeiro o ponto quiescente ou ponto Q, na região linear da curva de transferência do diodo, usado com retificador, figura 3. Pois, se ele não estiver posicionado bem no centro da região linear, o ponteiro não irá se deslocar linearmente, indo da posição das 8 para a posição
das 22 divisões, quando a corrente que circula no primário aumentar de 4 para 11 A, figura 2.
Para conseguir-se a linearidade desejada, devemos usar inicialmente dois potenciômetros lineares, sendo um de 10 K, ligado no lugar de R2 e um de 1 KΩ no lugar de R4 Precisamos variar os seus valores de maneira alternada, sendo ora um, ora o outro (ora com o filamento ligado, ora com ele desligado), até conseguir-se a linearidade desejada. Após obter-se os pontos desejados, substituir os potenciômetros por resistores fixos de igual valor.
O mesmo procedimento acima, também pode ser aplicado nos fornos alimentados em 220 VCA, utilizando os mesmos pontos da escala. Após a graduação da escala, o medidor está pronto para ser usado.
Agora, quando um forno com defeito for ligado em T1 ou T2, dependendo da posição onde o ponteiro parar, o técnico já terá uma ideia do que está acontecendo com o forno defeituoso, e até mesmo, onde se localiza o defeito. Supondo-se inicialmente que o display da Placa acende e ela opera normalmente, podemos ter três diagnósticos possíveis:
• Se ao pôr o forno em operação, o ponteiro mal se mexer da posição do zero, significa que não está chegando tensão no primário do transformador de alta tensão. O defeito pode estar nos componentes localizados antes destes pontos, como, por exemplo: chaves da porta, relé de potência e outros.
• Se ao pôr o forno em operação, o ponteiro for direto para a posição das 8 divisões, significa que está chegando tensão no primário, mas o circuito de alta tensão, assim como a magnetron, não estão operando corretamente. Os 4 A, correspondem ao con sumo só do transformador de alta tensão em vazio. Pelo fato de chegar tensão no primário, isto representa que as chaves da porta, assim como os demais componentes, que estão antes desses pontos, estão operando corretamente.
• Se ao colocar o forno em operação, o ponteiro deflexionar direto para a posição das 22 divisões significa que o magnetron, assim como o circuito de alta tensão, estão operando corretamente.
• Neste teste, vamos observar que quando o forno é acionado, observamos que o ponteiro se desloca da posição do zero para a das 8 divisões, parando neste ponto por um intervalo de tempo de alguns segundos (igual ao tempo que o filamento/catodo da magnetron leva para aquecer e começar a emitir elétrons). A seguir, dá um segundo deslocamento, saindo da posição das 8 (4 A) para a das 22 posições (11 A). O primeiro desloca- mento refere-se ao consumo só do transformador em vazio e o segundo, ao acréscimo do consumo provocado pela magnetron, acréscimo esse de 7 A.
Montagem do Circuito
No lugar das tomadas T, e T2, ambas ligadas paralelas, foi usada tomada de três pinos, do tipo universal. Isso permite ligar diversos tipos de fornos, pois normalmente, cada um usa plugues diferentes.
Os componentes eletrônicos, que estão dentro da linha pontilhada, figura 1, foram montados na forma de aranha, sendo soldados uns aos outros, com os terminais o mais curtos possíveis.
Todo o circuito, inclusive o transformador e as tomadas, foram montados em uma caixa plástica de (10x10) cm de embutir na parede, mas foi fixada na própria bancada de serviço. O medidor foi colocado fora da caixa, no alto da bancada, de maneira a ficar bem visível ao técnico.
Comentários
• Nas regiões onde a tensão da rede local é de 220 VCA, como a corrente consumida é menor, praticamente a metade em relação a um forno alimentado em 127 VCA, devemos substituir os resistores por valores menores, como se vê na tabela do lado da figura 1. Em função disso, a tensão presente entre os pontos A e B, também será a metade ou bem menor, podendo chegar abaixo de 0,7 V. Neste caso, devemos substituir o diodo D1, por um de germânio, pois este, começa a conduzir a partir de 0,2 V, ao contrário do de silício que só começa a conduzir a partir de 0,7 V, figura 3.
• Para conseguir-se um melhor rendimento na tensão contínua retificada, devemos substituir D1, figura 1, (retificador de meia onda) por quatro diodos em ponte, formando um retificador de onda completa, figura 4. Os diodos usados podem ser tanto de germânio (Ge), quanto de silício (Si) ou equivalentes, que suportem uma tensão reversa acima de 400 V e uma corrente direta acima de 0,5 A.



















