Transmita o som de seu televisor para um fone sem fio através de raios infravermelhos. Ou então, transmita o som de seu gravador, conjunto de som ou outro equipamento para um amplificador ou fone utilizando raios infravermelhos.
Nota. Artigo publicado na revista Eléctron 06. J. Martin era o pseudônimo usado por Newton C. Braga para artigos naquela revista.
E, se você gosta de experiências interessantes, por que não desenvolver um sistema de comunicações por meio de infra- -vermelho? Se você acha que isso é difícil é porque não conhece os emissores semicondutores de radiação infravermelha de baixo custo e também não sabe que fototransistores ultrassensíveis para a radiação infravermelha têm custo bastante acessível.
Neste artigo, abordamos um projeto básico de "Link" infravermelho que pode ser usado, modificado, adaptado para di- versas aplicações interessantes.
O projeto apresentado consiste num emissor de raios infravermelhos que pode ser modulado por sinais de áudio de diversas fontes, e num receptor que recebe estes raios e "extrai" a modulação de modo a se conseguir o som original num fone ou alto- -falante, veja a figura 1. Propomos as seguintes aplicações práticas para o aparelho:

* Link de áudio para TV e equipamentos de som
* Transmissor sem fio de conversas telefônicas
*Telégrafo sem fio por raios infravermelhos
* Sistema de comunicações por infravermelho
O circuito é extremamente econômico e é alimentado por baterias comuns de 9V ou fonte. Seu alcance depende de recursos ópticos adicionais que eventualmente o lei- tor empregue e pode chegar a algumas de- zenas de metros ou mesmo mais!
A base do circuito é o emissor infravermelho TIL32 de 2V x 40 mA, e o receptor fotossensível TIL78.
Antes de partirmos diretamente para o princípio de funcionamento do sistema se- rá interessante ensinarmos ao leitor alguma coisa sobre a natureza das radiações infravermelhas usadas no projeto.
O que é o infravermelho
Do mesmo modo que as ondas de rádio, a luz que podemos ver também é uma forma de radiação eletromagnética, mas de altíssima frequência o que implica em curtíssimos comprimentos de onda.
A cor de uma luz está diretamente ligada ao seu comprimento de onda ou frequência. Assim, dentro da faixa de radiações que a nossa visão percebe, podemos localizar as radiações de todas as cores de uma forma bem definida, conforme mostra a figura 2.
Veja então que a luz vermelha corres- ponde à frequência mais baixa e a luz violeta à frequência mais alta que podemos perceber. A unidade de comprimento de onda usada no caso é o Angstrom (Å) que equivale a 10 metros.

Ocorre entretanto, que além da radiação de frequência mais alta que podemos perceber, existem radiações muito penetrantes que podem ser utilizadas em aplicações importantes. Estas radiações são denominadas "ultravioleta". (ultra = além)
Do mesmo modo, abaixo da radiação corresponde à luz vermelha também existem radiações de mesma natureza, que não podemos ver, mas que podem ser detecta- das e produzidas de diversas formas. São as radiações infravermelhas (infra = abaixo). Veja a figura 3.

Na figura 4 temos a curva de percepção da nossa visão sobreposta às curvas de diversos sensores eletrônicos.
Conforme o leitor pode perceber existem sensores que podem "perceber" radiações que a visão não percebe, e estas se localizam justamente na faixa do infravermelho.
Os melhores emissores de radiação infravermelha são os corpos aquecidos. Quando aquecemos uma barra de metal a uma temperatura suficientemente alta (figura 5), ela se transforma num transmissor de raios infravermelhos, mas estes raios se distribuem numa faixa muito ampla de frequências, como mostra a figura 5.
Para uma aplicação mais fácil de um sistema de transmissão infravermelho, podemos contar com emissores que operam em faixas estreitas de frequências.
Dentre esses emissores destacamos os leds (diodos emissores de luz). Na mesma figura 4 temos a superposição dos espectros de radiação dos leds comuns, vermelhos, amarelos, verdes e do tipo infravermelho.
Veja que tais emissores tem uma característica que denominamos "monocromática". Os leds infravermelhos emitem luz somente numa estreita faixa de frequências. Uma característica importante dos leds é que sendo dispositivos semicondutores de alta velocidade de resposta eles podem ser modulados por sinais de menor frequência. É nesta propriedade que nos baseamos para construir o nosso sistema.
Como Funciona
O transmissor proposto consiste num transistor que excita um led infravermelho, conforme mostra a figura 6.
A modulação do sinal é feita em amplitude. Assim, é preciso observar com cuidado a polarização do sistema, feita de modo variável, para se obter o maior rendimento com o mínimo de distorção. Para isso, de- vemos levar em conta a curva característica de um transistor, mostrada na figura 7.
Se polarizarmos o transistor no ponto A, com uma corrente de repouso muito baixa ou mesmo nula, a condução só ocorre em metade dos semiciclos do sinal de áudio de excitação. Obtemos uma boa potência, pois teremos praticamente mais de 100% de modulação, mas por outro lado isso implicará numa forte distorção do som recebido. Veja a figura 8.
Se polarizarmos o transistor num ponto em que a condução seja maior, como por exemplo em C, a potência contínua irradiada será maior, mas ainda assim na modulação teremos distorção, pois haverá agora o corte dos semiciclos negativos. Veja a figura 9.
O ideal é a polarização num ponto em que tenhamos uma corrente média de repouso e que possa, com o sinal de entrada ser variada entre 0 e o máximo previsto, caso em que teremos 100% de modulação. Veja a figura 10.
No circuito, prevê-se a utilização de um resistor variável para a polarização de base, pois através dele poderemos chegar exatamente a este ponto de maior rendi- mento em função do ganho do transistor usado. O cálculo de funcionamento do transístor pode ser feito a partir das características do 2N2222:

Levando em conta um funcionamento no centro da reta de carga, a tensão no coletor será de 4,5 V, quando então circulará uma corrente de 20 mA. Para encontrar a corrente de base, supomos então um ganho mínimo de 100. hFE = 100.

Com a tensão de coletor e esta, podemos calcular o resistor de polarização de base Rb.

Veja então que o uso de um trimpot de 100k permite chegar próximo deste valor ideal, já que, conforme o transistor teremos maior ou menor ganho.
É fácil perceber que, para um BC548 com ganho estimado em 200, o valor calculado estará em torno de 40k. Para o receptor usamos um fototransistor TIL78 que é um detector de infravermelhos com VCE de 50 V e IC = 7 mA.
Polarizamos este transistor de modo a obter a máxima sensibilidade. Nos níveis baixos de iluminação, como neste caso, de- vemos ter altos valores para o resistor R1. Veja a figura 11.

O leitor pode perfeitamente fazer experiências com resistores entre 100k e 1M. Um potenciômetro de 1M em série com o resistor de 100k consiste numa boa solução para determinação do ponto de maior sensibilidade.
Veja que o sensor também recebe radiações de outros comprimentos de onda além dos emitidos pelo led infravermelho. Assim, é conveniente utilizar recursos ópticos nas aplicações de maior alcance para melhorar o desempenho do sistema. Um dos recursos importantes é a lente convergente que concentra a radiação de uma de- terminada fonte sobre o fototransistor e outro é a utilização de um filtro infravermelho (do tipo usado em fotografia) que deixa passar apenas uma estreita faixa de radiação, eliminando assim ruídos, como os provocados por lâmpadas incandescentes que são moduladas em 60 Hz.
Os circuitos
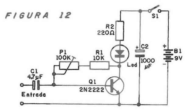
Começamos pelos transmissores. O primeiro circuito leva apenas um transístor e pode ser excitado pela saída de pequenos aparelhos de áudio tais como rádios transistorizados, gravadores cassete, walkman, amplificadores de áudio. Para os grandes amplificadores, a excitação pode ser feita com a utilização de um resistor de carga em lugar do alto-falante. Veja a figura 12.

A placa de circuito impresso para esta montagem é mostrada na figura 13.

O resistor R2 determina a potência máxima do transmissor, podendo ser calculado em função das características do led. Para o caso de 30 mA, levando em conta a queda de 2V podemos calculá-lo em:

Para uma operação "folgada" adotamos 220 ohms.
Uma possibilidade de aumento de potência, é mostrada na figura 14 em que uti- lizamos uma etapa de maior potência de excitação com um par de transistores.

Para 10 leds ligados e paralelo, teremos uma corrente de 400 mA, o que, em 2V significa uma potência irradiada de 800 mW. Nos dois circuitos, o resistor variável serve para ajuste do ponto de funcionamento, quando obtemos a melhor modulação e menor nível de distorção. O ajuste feito com o receptor ativado ligando-o a um osciloscópio ou então, "de ouvido". Se o equipamento de áudio tiver boa potência, o que implica num sinal com nível superior a 2V, pode-se usar o circuito da figura 15, sem fonte de alimentação.

Neste circuito, que entretanto não tem uma excelente fidelidade, pois são cortados semiciclos, o led emite radiação infravermelha nos semiciclos positivos do sinal de áudio, havendo assim à possibilidade de termos a sua recepção. O cálculo de R, dependerá da potência do equipamento excitador.
Para o receptor também temos diversas opções. Na figura 16 mostramos o circuito mais simples que leva apenas 3 transistores.
Os transistores podem ser os 2N2222, 2N2218 ou mesmo os BC548. A placa de circuito impresso para esta montagem é mostrada na figura 17.
Veja que, o elemento de saída do circuito depende da carga que devemos alimentar. Para fones de ouvido de alta impedância (1k ou mais) não é necessário o transformador. Para fones tipo walkman ou "egoísta" de baixa impedância, precisamos de um pequeno transformador de saída que pode ser do tipo encontrado em rádios transistorizados com 1k de primário aproximada- mente de 8 ohms de secundário.
A ligação da figura 18 permite usar fones de baixa impedância tipo walkman, com rendimento pouco menor, mas que pode ser aproveitado nas aplicações menos críticas.

Uma possibilidade interessante consiste na ligação do receptor a um amplificador de qualquer tipo, caso em que pode- remos excitar fones ou alto-falantes. Veja a figura 19.

Na figura 20 damos um circuito amplificador com o TBA820. Alimentado por 4 pilhas que oferece uma excelente qualidade de áudio e muito grande sensibilidade.

Para um sistema telegráfico experimental, a excitação do led pode ser feita com um oscilador de áudio, não importando qual a forma de onda.
Recursos ópticos
O led infravermelho possui um ângulo de abertura da ordem de 35°, o que significa uma certa dispersão de energia. Numa aplicação menos crítica, como por exemplo na transmissão do som de um televisor, os recursos ópticos não devem ser utilizados no transmissor, pois a obtenção de um feixe estreito dificultaria o posicionamento do receptor que não deve ser crítico.
Já em um link fixo, uma lente convergente poderia facilitar a obtenção de um feixe paralelo que concentraria mais energia. Veja a figura 21.

Os melhores recursos ópticos são os acrescentados no receptor e podemos começar da lente convergente. Para posicionar o fotossensor neste sistema, damos o procedimento na figura 22.

Uma lâmpada comum ou lanterna pode ser usada para determinar o foco da lente, onde deve ficar o led. O diâmetro da lente determinará a quantidade de radiação que pode ser concentrada no led e consequentemente a eficiência do sistema, levando-se em conta que o emissor pode ser considerado uma fonte pontual de luz.
Outro recurso é a utilização de filtros de cor, no caso infravermelho, que eliminariam a luz ambiente com um consequente aumento da sensibilidade do sistema. Para uma aplicação num sistema de muito-longo alcance, o sensor pode ser montado na objetiva de um telescópio. A lente da objetiva deve ser removida neste caso, após a focalização e determinação da posição do emissor.
Enfim, experiências diversas poderão ser realizadas pelos leitores interessados, inclusive com a utilização de fibras-ópticas.
Lista de Material
a) Emissor básico - figura 12.
Q1 - 2N2222 ou BC548 transistor NPN de uso geral
Led1-Led infravermelho TIL32 ou equivalente
C1 - 4,7 µF x 16V capacitor eletrolítico
P1 - 100k potenciômetro ou trimpot
R1 - 10k x 1/8W - resistor (marrom, preto, laranja)
R2 - 220 ohms x 1/8W - resistor (vermelho, vermelho, marrom)
C2 - 1000 µF x 16V capacitor eletrolítico
S1 - Interruptor simples
B1 - 9V bateria ou fonte
Diversos: placa de circuito impresso, fios, caixa para montagem, conector para bate- rias, etc.
b) Receptor básico figura 16
QX - Foto transistor TIL78
Q1, Q2, Q3 - 2N2222 ou equivalente - transístor NPN
P1 - 10k potenciômetro ou trimpot
R1 - 100k x 1,8W - resistor (marrom, preto, amarelo)
R2 - R4 - 220k x 1/8W resistores (vermelho, vermelho, amarelo)
R3 - 4k7 x 1/8W - resistor (amarelo, violeta, vermelho)
R5 - 270 ohms x 1/8W - resistor (vermelho, violeta, marrom)
C1, C2-10 µF x 16V - capacitadores eletrolíticos
C3 - 10 μF x 16V - capacitor eletrolítico
C4 - 220 µF x 16V capacitor eletrolítico
T1 - Transformador de saída para transístores: primário de 500 ohms à 2k e secundário de 8 ohms
Diversos: fone de ouvido ou alto-falante, placa de circuito impresso, fios, solda, conector de baterias de 9V, etc.
Conclusão
Emissores e receptores infravermelhos permitem a realização de muitos projetos interessantes. Podemos por exemplo adiantar a possibilidade de construir alarmes em que o intruso não pode ver o feixe de luz detector e por isso fica dificultada sua ação no senti- do de neutralizar o sistema.
Um emissor e um sensor que sejam colocados de modo a haver um feixe de infravermelho na passagem de um intruso formam um excelente sistema de proteção. Nas próximas edições estaremos publicando o projeto de um alarme infravermelho que opera segundo esta técnica e também, um transmissor de som por infravermelho de construção mais complexa. Aguardem!























