Apresentamos um excelente pré-amplificador para a faixa dos 80 aos 150MHz, utilizando transistor de efeito de campo MOS de dupla porta, que proporciona um ganho de aproximadamente 20dB. Se você é radioamador e deseja maior sensibilidade para os sinais da faixa dos 2 metros, se tem dificuldade na recepção das estações de FM de sua localidade ou em alguns canais de TV, eis aqui um projeto que pode ajudá-lo.
Nota: Este artigo saiu na revista Saber Eletrônica 194 de 1989.
Na linha de componentes Philips destacam-se os transistores de efeito de campo (FETs) Tipo MOS com dupla comporta: Esses transistores são especialmente projetados para a amplificação de sinais de altas frequências na faixa de VHF e UHF. Dentre suas aplicações destacamos os sintonizadores de FM, equipamentos de comunicação e seletores de UHF e VHF para Tv.
Na linha de transistores FET de canal N da Philips escolhemos o BF980, em encapsulamento SOT130, que tem urna tensão máxima entre dreno e fonte de 18V. Este transistor é empregado normalmente em sintonizadores de UHF com alimentação de 12V. Intercalado entre a antena e o receptor, esse pré-amplificador pode facilmente acrescentar alguns dB ao sinal, e com isso possibilitar uma melhor recepção.
A faixa passante do pré-amplificador é da ordem de 2,5MHz, o que significa que devemos sintonizá-lo previamente para a faixa que deve ser amplificada e, no caso de TV, deve ser verificada a possibilidade de uma ampliação dessa faixa para que não ocorram perdas e, com isso, um funcionamento deficiente.
Como se trata de projeto que opera com frequências elevadas todas as precauções devem ser tomadas com a montagem.
O CIRCUITO
A base deste circuito é um transistor de efeito de campo MOS de 2 portas isoladas. Este transistor apresenta características que permitem sua operação em frequências elevadíssimas até perto de 1GHz.
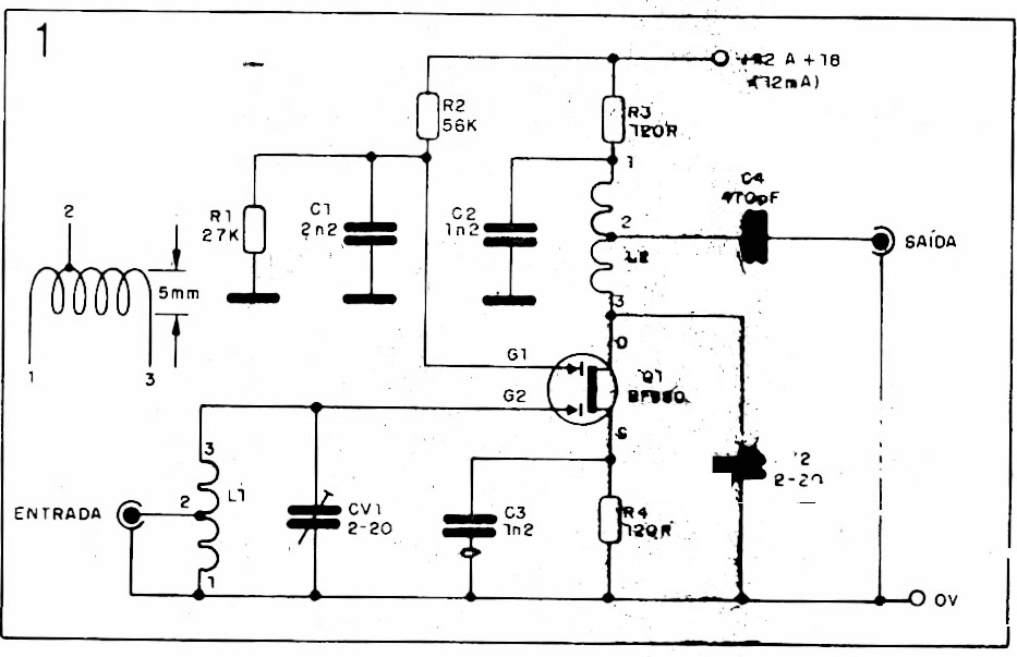
No nosso projeto temos um amplificador com entrada sintonizada em L1, que forma um circuito ressonante na frequência que deseja amplificar. O ajuste desta frequência é feito em CV1. A tomada na bobina L1 permite casar melhor as características de entrada do transistor com a entrada de sinal.
L2 forma o tanque de saída, também possuindo urna tomada que permite casar a saída de sinal com as características do transistor. A sintonia deste çircuitc4 feita em CV2.
O sinal é aplicado na porta G1, enquanto G2 é polarizada num ponto fixo pelos resistores R2 e R1. C1 desacopla o sinal deste setor do circuito amplificador.
A alimentação do circuito deve ser feita com tensões entre 12 e 18V, resultando num consumo típico de corrente da ordem de 12mA.
MONTAGEM
Na figura 1 damos o diagrama completo do pré-amplificador, exceto a fonte de alimentação.
Na figura 2 damos a placa de circuito impresso, observando que o transistor é soldado pelo próprio lado cobreado, dada a necessidade de ligações curtas e o tipo de invólucro apresentado.
Os capacitores devem ser todos cerâmicos de boa qualidade e os resistores de 1/8 ou 1/4W.
As bobinas L1 e L2 são originalmente previstas para uma faixa de frequências entre 90 e 110MHz, mas alterações podem ser feitas com facilidade para cobertura de 80 a 150MHz. Para atingir as frequências mais baixas, aumente o número de espiras para 5, e para atingir frequências mais elevadas reduza para 3, ou mesmo 2 espiras. Observe que a tomada deve ser mantida na primeira espira do lado "morto" da bobina.
Os trimmers são comuns de porcelana com capacitância na faixa de 2- 20pF, mas esses componentes não são críticos.
A fonte de alimentação de 12 a 18V é mostrada na figura 3.
Como o consumo de corrente do pré-amplificador é muito baixo, o transformador não precisa fornecer mais do que 50mA de corrente, mas a filtragem e desacoplamento de RF são muito importantes. O choque de RF de 100mH é do tipo "micro choque", podendo ser improvisado enrolando-se umas 50 espiras de fio 28AWG num bastão de ferrite de 0,5cm de diâmetro por 1cm de comprimento.
Os capacitores C5 e C6 da fonte devem ser cerâmicos e o eletrolítico de 1000p.F deve ter uma tensão de trabalho de 25V.
A impedância de saída é de 75 ohms, devendo ser usado cabo coaxial dessa impedância para acoplamento à antena e receptor.
Observamos que os pré-amplificadores devem ser instalados o mais próximo possível das antenas, para que sejam evitadas as perdas no cabo, que são maiores antes de tal aparelho do que depois.



















