Duas versões deste projeto serão fornecidas. A versão mais simples usa apenas algumas conexões e não precisa de chassi ou outros recursos especiais. É o projeto ideal para aprender a soldar, tornando-o perfeito para alunos de 11 a 16 anos. Eles podem testar suas habilidades manuais ao mesmo tempo em que são apresentados ao princípio de operação por trás de transformadores e outros componentes.
Nota: Esta versão do artigo original que publicamos em inglês saiu é a tradução livre do meu próprio artigo que saiu no livro Mechatronics for the Evil Genius (TAB 2006) que no fundo é uma adaptação de um artigo em português. Algumas modificações foram introduzidas, assim como ideias adicionais segundo a estrutura pedida pela editora da série Evil Genius.
Claro, o leitor que está aprendendo a soldar pode usar este projeto como o primeiro passo para invenções mais complexas pode atualizar este projeto para construir a segunda versão, e até mesmo fazer algumas piadas com amigos ou familiares. Dar um choque elétrico em seus amigos pode ser uma piada muito boa (se feito com segurança), e você pode usar este projeto e suas habilidades. (Por favor, leia a advertência no texto.)
A ideia básica é aumentar a tensão de uma ou duas pilhas a um valor grande o suficiente para causar um choque. Como a corrente é limitada a poucos miliamperes e o choque não dura mais do que alguns segundos, consideramos a descarga inofensiva e segura.
Objetivos
• Gere uma alta tensão o suficiente a partir das pilhas para aplicar um choque em amigos.
• Aprenda como funciona um transformador.
• Aprenda a soldar.
• Faça alguns experimentos com alta tensão.
O projeto
Este circuito colocará sua habilidade manual em um bom teste. Conforme mostrado no diagrama esquemático da versão básica, o circuito tem um pequeno loop que você deve navegar em torno de um fio. O objetivo do jogo é guiar o laço ao longo do percurso de enrolamento e tecelagem sem tocar no fio.
Qualquer erro de julgamento ou tremor da mão e do anel entrará em contato com o fio entrelaçado, ligando o circuito e produzindo um leve choque! A habilidade necessária para jogar depende muito do tamanho do laço e do grau de torção e giro do fio.
Se for usado como um jogo, a pontuação é uma questão de contar o número de vezes que o jogador fica chocado! A pessoa com o menor número total de choques (ou nenhum) vence.
O circuito é alimentado por uma célula D, pois o dreno de corrente é alto quando o loop toca o fio. Quando não estiver em uso, o anel e o fio devem ser separados ou a célula irá esgotar em um curto período.
A versão básica é muito simples e pode ser montada em 1 ou 2 horas, mas daremos uma segunda versão melhorada usando mais recursos e mecatrônica.
Como funciona
O núcleo do projeto é um pequeno transformador com um primário para a linha de alimentação CA (ou 117 VAC) e um secundário para 6 a 9 volts, com correntes variando de 250 a 500 mA.
Em operação normal, o transformador recebe 117 VAC quando sua bobina primária o converte para baixa tensão (6 a 9 volts conforme a unidade). Mas neste projeto mostramos que o transformador pode ser usado de uma forma diferente: invertendo. Aplicando uma baixa tensão (6 a 9 volts) de uma célula para a bobina secundária, a tensão aumenta, produzindo pulsos de alta tensão na bobina primária.
Como a tensão aplicada não está na forma de onda senoidal, como encontrada na linha de alimentação, mas consiste em pulsos agudos, a tensão na bobina primária pode aumentar para valores entre 100 e 300 volts. Claro, os pulsos podem causar um choque severo, mas como a duração dos pulsos é muito curta e a corrente muito baixa, eles não são prejudiciais. A Figura 1 mostra o que acontece.

Observe que o processo de indução que converte a tensão baixa em alta no transformador é dinâmico. Esta é a parte mecatrônica da versão básica deste projeto. Ocorre apenas quando o fio toca no laço e quando o fio se desconecta do laço. Isso também explica por que não podemos ter alta tensão o tempo todo na bobina secundária, mesmo se mantivermos os fios juntos. É necessária uma mudança na corrente para produzir a alta tensão instantânea, e esta é alcançada apenas nos momentos em que os fios são tocados e separados.
Na segunda versão, vamos simplesmente usar um pequeno motor DC para atuar como uma chave variável de alta velocidade. Os motores CC pequenos têm escovas que atuam como interruptores quando giram. Eles abrem e fecham as bobinas, produzindo uma corrente variável no circuito. A ideia é colocar um pequeno motor em série com o transformador, ajudando na geração de uma corrente variável.
Experimentos de pré-montagem
Antes de montar, você pode mostrar os princípios operacionais de um projeto de "teste seus nervos" com alguns experimentos simples e interessantes.
Chocante!
Você pode mostrar como um transformador pode ser usado para aumentar a voltagem de uma célula e causar choques elétricos. Você também pode mostrar que precisa de um circuito fechado para ter corrente elétrica.
Lista de peças - chocante
T1 Qualquer transformador com uma bobina de 117 VAC e uma bobina secundária de baixa tensão (4,5 a 9 volts)
B1 1,5 V (uma pilha D)
A Experiência - Convide seus amigos ou parentes para darem as mãos uns aos outros formando um círculo, conforme mostrado na Figura 2. Escolha certas pessoas em lados opostos do círculo para segurar os fios da bobina de alta tensão do transformador em suas mãos. Ao tocar os fios da bobina primária na célula, um pulso de alta voltagem causará um choque em todas as pessoas no círculo. Esta é uma oportunidade perfeita para explicar o seguinte:
• A corrente é a mesma em todas as pessoas e, portanto, o choque é o mesmo em cada pessoa.
• O que é um circuito fechado.

Acendendo uma lâmpada fluorescente
Você pode mostrar a indução de alta tensão pelo transformador acendendo uma lâmpada fluorescente.
Lista de peças - Acendendo uma lâmpada fluorescente
T1 Qualquer transformador com uma bobina de 117 VAC e uma bobina secundária de baixa tensão (as mesmas usadas no experimento anterior e em projetos anteriores)
B1 1,5 V (pilha D)
Um pequena lima e fios
A experiência - observe que a lâmpada pisca apenas quando você toca os fios da célula. O uso de um arquivo pode ajudá-lo a produzir mudanças rápidas no fluxo atual, produzindo flashes mais potentes na lâmpada. Qualquer lâmpada fluorescente pode ser usada neste experimento. A Figura.3 mostra o experimento.
Este projeto apresenta um mecanismo perfeito para explicar o seguinte:
• Por que a lâmpada pisca apenas quando a corrente muda
• Por que a lâmpada não acende com 100 por cento de sua potência

Como construir
Este circuito é muito simples. Nenhuma habilidade especial é necessária para construí-lo. A construção das duas versões é descrita nas próximas linhas.
Teste seus nervos, versão 1
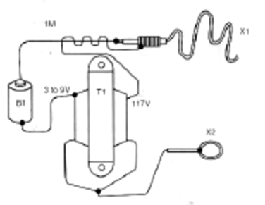
O esquema do dispositivo é mostrado na Figura 4. O coração do projeto é o transformador que converte 1,5 volts CC em pulsos de alta tensão de até 300 volts em alguns casos! A visão mecânica da montagem é mostrada na Figura 5.


Todos os componentes podem ser alojados em uma pequena caixa de plástico. Os fios do laço e do fio entrelaçado podem ter 60 a 100 cm de comprimento para evitar arrancamentos conforme o jogador se afasta ao reagir ao choque.
Observe o isolamento entre os pontos em que o jogador toca e o fio de toque. Os dois fios que se conectam devem ser do tipo trançado ou paralelo. Use cores diferentes para evitar a inversão das conexões.
O fio de toque é feito de um fio de cobre nu com uma pequena porção mantida isolada ou coberta. Nesta parte isolada, um pedaço de fio fino e desencapado forma o cabo. O loop também é feito de um pedaço de fio desencapado e não precisa de alça porque as linhas de baixa e alta tensão são comuns nesta parte do circuito.
T1 é qualquer transformador pequeno com uma bobina primária de 117 VAC e uma bobina secundária variando de 3 a 9 volts. O dreno de corrente pode variar de 250 a 500 mA quando o fio toca o loop.
Testando e usando
O teste é muito simples. Encontre um voluntário para fazer o teste. Pela expressão do voluntário ao tocar a alça do fio de tecelagem, você saberá se seu projeto funciona ou não. Mas se você não encontrar um voluntário, não terá alternativa. Você deve fazer o teste sozinho.
Ao usar o dispositivo, não deixe o laço entrar em contato com o fio pesado. A corrente que flui não induz alta voltagem (porque é necessário mudar a intensidade), e as células vão se esgotar rapidamente.
Cuidado! Não use este circuito em pessoas com marca-passos ou doenças cardíacas!
Lista de peças - Teste seus nervos, versão 1
T1 Qualquer transformador com uma bobina de 117 VAC e uma bobina secundária de baixa tensão (ver texto)
B1 1,5 V (pilha D)
X1 Loop (ver texto)
X2 Fio de tecelagem (ver texto) Fios, solda, caixa de plástico, etc.
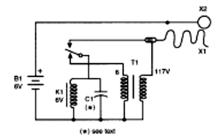
Teste seus nervos, versão 2
O diagrama esquemático para a segunda versão é mostrado na Figura 6. Nesta versão, adicionamos um pequeno motor DC em série com a bobina secundária do transformador. Quando o motor está ligado, as escovas produzem pulsos rápidos que induzem alta tensão no transformador. O diagrama do projeto final é mostrado na Figura 7.


Um disco pesado de qualquer material é acoplado ao eixo do motor para reduzir sua velocidade e assim auxiliar na produção dos pulsos para o transformador.
Testando e usando
Os procedimentos de teste são os mesmos descritos na versão 1. A principal diferença é que, se você mantiver o loop tocando o fio entrelaçado, a corrente no circuito não será tão alta porque é limitada pelo motor.
Lista de peças - Teste seus nervos, versão 2
T1 Qualquer transformador pequeno com uma bobina primária de 117 VAC (5 a 9 volts) e uma bobina secundária com correntes que variam de 200 a 500 mA
M Qualquer pequeno motor DC B1 3 volts de potência (duas células C ou D)
X1 e X2 Loop e fios ondulados (como na versão 1)
Caixa de plástico, fios, solda, etc.
Temas cruzados
Este projeto pode ser usado para ensinar muito sobre mecatrônica, tecnologia e ciências. Alguns temas transversais que podem ser vinculados aos programas do ensino fundamental e médio estão listados aqui. Você pode usar este projeto para estudar o seguinte:
• As diferenças entre corrente e tensão, também conhecidas como princípio de conservação de energia (física). Explique as diferenças entre corrente e tensão e porque a energia não pode ser criada. Você não pode acender uma lâmpada fluorescente com 100 por cento da luz porque a energia fornecida por uma célula não é suficiente.
• Indução elétrica e como funciona um transformador (física). Explique como funciona um transformador e como a energia pode ser transferida de um lugar para outro por meio de um campo magnético.
• Choque elétrico (biologia). Encontre informações sobre os efeitos da corrente elétrica nos seres vivos, como a corrente pode ser perigosa e como pode ser usada para ajudar pessoas com doenças (por exemplo, na estimulação do coração).
• Ionização de uma lâmpada neon ou fluorescente (química). Explique como os gases são ionizados por altas tensões e como o fenômeno é utilizado em diversos aparelhos.
• Teste de estresse (ciências humanas). Use o dispositivo teste seus nervos com pessoas submetidas a vários níveis de estresse. Mostre como o número de sucessos ou fracassos pode ser uma função do estresse existente.
Circuitos e ideias adicionais
O projeto básico pode ser aprimorado com algumas variações ou com a utilização de um circuito eletrônico para aumentar a tensão. Os circuitos que podem ser usados para esta tarefa são chamados de inversores e são encontrados em muitos aparelhos.
Usando um Reed Switch
A Figura 8 mostra como um ímã preso ao eixo de um motor pode acionar uma chave reed, abrindo e fechando o circuito e gerando altas tensões no transformador.

Usando um Relé como Inversor
A Figura 9 mostra como um relé pode ser usado como vibrador para ligar e desligar a corrente através da bobina primária do transformador, gerando alta voltagem na bobina secundária. As características do capacitor C1 devem corresponder às características do relé para obter o melhor desempenho do circuito.
Lista de peças - usando um relé como inversor
K1 Relé 6 volts x 50 mA
T1 Transformador (como no projeto básico)

B1 6 V (quatro pilhas C ou D e suporte)
X1, X2 Fios como no projeto básico
C1 0,01 a 0,47 µF - Capacitor de poliéster (ver texto)
Fios, solda, caixa de plástico, etc.
Um oscilador de alta tensão
A Figura 10 mostra um oscilador ou inversor de potência que pode elevar a tensão de duas células AA, C ou D para mais de 100 volts, a quantidade necessária para causar um bom choque.

Observe que este circuito continua a operar mesmo quando o fio entrelaçado permanece em contato com o loop, porque o circuito não requer mudanças na corrente para operar.
Qualquer transformador pequeno com uma bobina primária classificada para 117 VAC, uma bobina secundária classificada de 3 a 6 volts e corrente na faixa de 150 a 250 mA pode ser usado. P1 ajusta a frequência para o melhor desempenho para a geração de alta tensão.
Lista de peças - Oscilador de alta tensão
Q1 BD135 ou transistor de silício de potência média equivalente negativo-positivo-negativo (NPN)
T1 Qualquer pequeno transformador (ver texto)
P1 4,7 kΩ Potenciômetro aparador
R1 220 Ω x resistor de 1/8 watts (vermelho, vermelho, marrom)
C1 0,022 µF cerâmica ou capacitor de poliéster
C2 0,047 F Capacitor de cerâmica ou poliéster
B1 3 volts (duas pilhas AA, C ou D com suporte)
X1, X2 Wavy wire and loop, como no projeto básico
Fios, caixa de plástico, solda, etc.
A Tecnologia Hoje
Com base no mesmo princípio de operação, mas usando tecnologia moderna, encontramos muitos dispositivos que convertem a baixa tensão de baterias e células em altas tensões. Eles são chamados de inversores ou conversores AC / DC e usam transistores, ICs e outros componentes modernos para acionar um transformador de núcleo de ferrite ou outro tipo de transformador para aumentar as tensões de uma fonte.
Você pode encontrar um dispositivo que usa esse princípio para aumentar a voltagem da bateria do carro (12 V) para 117 VCA ou para alimentar aparelhos domésticos, como pequenas TVs e lâmpadas fluorescentes. Esses inversores podem ser usados em acampamentos ou locais onde as linhas de energia CA não são acessíveis.
Explorando o Projeto
Para aumentar o desempenho do seu dispositivo ou para aprender mais sobre o circuito, faça o seguinte:
• Use duas células em série para aumentar a tensão na primeira versão.
• Experimente transformadores de diferentes tamanhos e especificações elétricas.
• Descubra na internet como Faraday inventou o transformador.
• Faça uma lista dos eletrodomésticos em sua casa que usam transformadores. Você pode determinar a função do transformador em cada aparelho?
• Encontre informações sobre regras de segurança ao trabalhar com eletricidade.















