Este circuito de escudo é adaptado do meu livro Robótica, Mecatrônica e Inteligência Artificial (esgotado) publicado nos Estados Unidos. Ele pode ser usado como um shield para motores de passo em projetos de mecatrônica ou robótica ou como um bloco de construção para projetos mais simples.
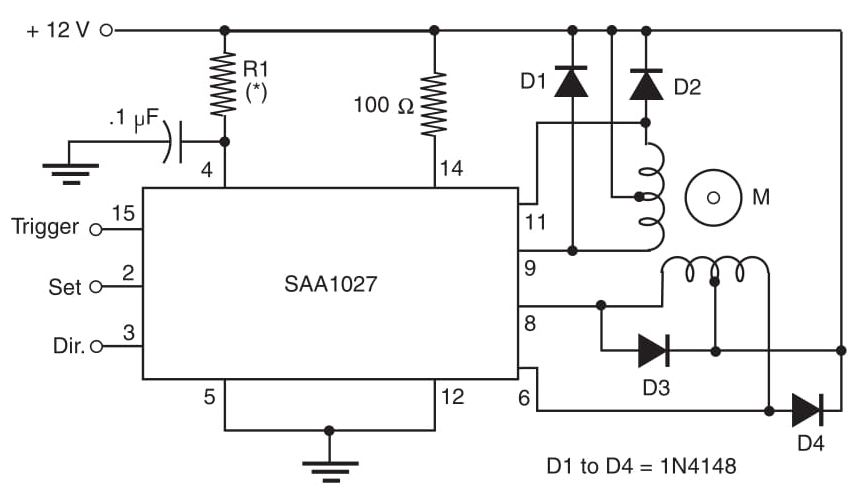
O SAA1027 IC foi projetado para incluir todas as funções necessárias para controlar um motor de passo com correntes de até 350 mA. O SDA1027 é fabricado pela Signetics, e a aplicação básica é mostrada pela Figura 1.
O resistor de polarização deve ser de 470 Ω × 1/2 W se o motor de passo precisar de menos de 250 mA de corrente. Se a corrente estiver na faixa entre 200 e 350 mA por fase, esse valor do resistor será reduzido para 150 Ω x 1 W.
Este bloco tem três entradas:
1. Os pulsos que movem o motor são aplicados à entrada do acionador.
2. Para a entrada de direção, aplicamos o nível lógico para determinar se o motor de passo funciona para frente ou para trás.
3. A entrada de ajuste é habilitada, quando conectada ao terra, fornece continuamente energia para dois dos enrolamentos, freando o motor.
















