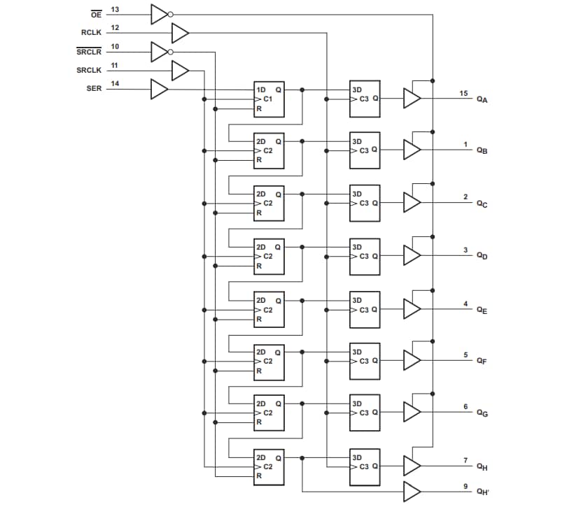
Texas Instruments SN74AHC595/SN74AHC595-Q1 Counter Shift Registers contém um registro de deslocamento serial-in, parallel-out de 8 bits que fornece um registro de armazenamento tipo D de 8 bits. O registro de armazenamento tem saídas paralelas de 3 estados. Relógios separados são fornecidos para os registros de deslocamento e armazenamento. O TI SN74AHC595/SN74AHC595-Q1 tem uma entrada direct overriding clear (SRCLR), uma entrada serial (SER) e uma saída serial para cascata. Quando a entrada output-enable (OE) é alta, todas as saídas, exceto QH′, estão no estado de alta impedância.
















