A revista Nuova Elettronica surgiu em Bolonha na Itália criada por Guiseppe Montushi e,m agosto de 1969 a partir do que havia restado de uma outra publicação técnica da época, a revista Elettronica Mese.
Tenho uma boa quantidade de exemplares físicos dessa revista, inclusive uma coleção parcial encadernada que mostro na figura 1. Em cada volume havia 6 exemplares sequenciais.

As edições chegavam ao Brasil através de algumas bancas de jornais. Em São Paulo eu comprava esses exemplares numa banca do centro, ao lado da Biblioteca Mário de Andrade que recebia muitas edições de revistas estrangeiras, inclusive os volumes da Nuova Elettronica que mostro na imagem.
Na figura 2 temos as capas de algumas das edições dessa revista mensal que praticamente só trazia montagens muito interessantes.

A revista não tinha anúncios, pois se mantinha graças às vendas dos kits dos projetos publicados.
Os projetos abrangiam uma ampla gamas de temas, com especial destaque para os projetos de equipamentos médicos que eram tão bons que tinham classificação para serem utilizados profissionalmente. Era a chamada certificação CE. É claro que havia ainda projetos de outras áreas como som, instrumentação, transmissão, efeitos deluz, e no final microcontroladores. A revista publicou 250 exemplares tendo encerrado suas atividades em 2012. Edições em outros idiomas, inclusive português foram publicadas.
Mas, o que destacava a revista que era considerada das melhores do mundo era sua qualidade de impressão. Em cores desde a primeira edição, o que se destacava nas edições eram as figuras de chapeados em 3D como a mostrada na figura 3.

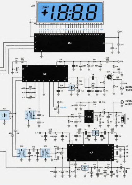
A figura é de um artigo que ensinava a montar um medidor de intensidade de campo digital para TV.
Conformem mostra a figura 4 os diagramas eram igualmente bem feitos com listas de material detalhadas e é claro a disponibilização do kit completo para a montagem.

Pelo fato de estar em italiano, não eram muitos os que compravam esta revista. No entanto, pela minha origem (meu avo era italiano) tinha bons conhecimentos do idioma e não era difícil para mim entender seus artigos.
Assim, a revista Nuova Elettronica fez parte da minha vida profissional e depois na sua versão em português cheguei até a ser convidado para trabalhar nela, como conto na minha biografia.
Se você quiser ter ou consultar a coleção completa da revista Nuova Elettronica vá ao link abaixo.
https://www.worldradiohistory.com/INTERNATIONAL/Nuova-Elettronica-IT.htm
















