Este projeto aparece em outras versões em meus livros e no site. Esta foi publicada no livro Electronics Projects from the Next Dimensions. Os leitores interessados nos outros artigos podem usar a palavra chave brontofônico na busca do site.
Brontofônico vem da palavra grega "brontos", que significa "trovão", e "fônos", que significa "som". Em outras palavras, brontofônico significa algo como "som de trovão".
O som penetrante do trovão às vezes cria a sensação de que vem de dentro de nossa cabeça. Este projeto é baseado neste fato, utilizando um novo conceito de som em que a sensação de audição é produzida dentro do nosso cérebro. Embora alguns pesquisadores estejam tentando usar este conceito em aplicações de áudio (hi-fi), incluindo um autor que publicou alguns artigos sobre o assunto há muitos anos, o som brontofônico também pode ser usado com outros objetivos, incluindo experimentos paranormais, conforme descrito aqui.
Para dar ao leitor uma ideia do que é o som brontofônico, começamos explicando o conhecido fenômeno físico denominado batimento.
Batimento
Na escola secundária ou laboratório de física, você pode ter aprendido sobre diapasões como o mostrado na Fig. 1. Quando um diapasão é tocado, ele vibra em sua frequência natural, que é determinada por seu tamanho, material e forma. O som produzido dessa forma é chamado de "puro", pois tem uma forma de onda senoidal e uma frequência constante específica.
Um fenômeno importante ocorre quando dois diapasões diferentes (diapasões sintonizados em frequências diferentes) são ajustados para vibrar no mesmo lugar e ao mesmo tempo. Se você escutar com atenção, não ouvirá apenas os dois tons básicos (para os quais foram projetados), mas também poderá ouvir um tom muito mais baixo e um tom muito mais alto. Esse fenômeno ocorre quando os dois tons são misturados dentro do ouvido ou, especificamente, na membrana do tímpano.
Uma das frequências adicionais ouvidas é uma frequência de soma e a outra é uma frequência de diferença. Se um garfo vibra a 800 Hz e o outro a 300 Hz, é muito possível que você ouça um tom de frequência mais baixa de 500 Hz (800 - 300 Hz) e um tom mais alto de 1.100 Hz (800 + 300 Hz).

Esse fenômeno, causado pela interferência entre as ondas sonoras, é denominado batimento. Muitos dispositivos eletrônicos, como rádios, TV e circuitos de telecomunicações, usam o princípio do batimento em sua operação para reduzir a frequência de um sinal a um valor que pode ser usado para acionar os circuitos de processamento.
Se você examinar como as duas frequências adicionais são produzidas (500 e 1.100 Hz), você descobrirá que o fenômeno ocorre porque cada ponto do tímpano recebe simultaneamente vibrações de duas fontes diferentes e precisa vibrar em duas frequências ao mesmo tempo. O resultado é um movimento combinado de cada ponto do tímpano que produz as duas frequências adicionais.
O ponto importante a se notar nesse fenômeno é que as duas novas frequências não são produzidas pelas fontes sonoras, mas são criadas dentro do ouvido, ou em um microfone, em qualquer ponto observado no espaço.
Vamos agora dar um passo adiante e transpor os mesmos conceitos para fontes ultrassônicas, uma delas operando a 19.000 Hz e a outra a 20.000 Hz. (Lembre-se de que não podemos ouvir sons em frequências muito acima de 18.000 Hz.)
As vibrações produzidas por qualquer das fontes separadamente não podem ser ouvidas por ninguém. Mas, quando os dois tons são misturados dentro de seu ouvido, eles produzem dois novos tons. Um deles, o tom da soma de 39.000 Hz, está acima do nosso limite auditivo superior, mas o outro, o tom da diferença de 1.000 Hz, está na faixa de frequência audível e pode ser ouvido.
A parte interessante desse fenômeno é que, como a diferença de tom é produzida dentro do seu ouvido (ou, mais precisamente, no seu tímpano), você terá a estranha sensação de que o som vem de dentro de sua cabeça, ou de que o som vem de em lugar nenhum.
Se os sons ultrassônicos forem produzidos por fontes de alta potência, o som de batida gerado dentro de você causará certo desconforto, e a exposição a vibrações desse tipo pode até causar pânico ou outros efeitos psicológicos ou fisiológicos. (Em alguns casos, foi relatado que batimentos de frequência muito baixa podem até causar disenteria!)
Para o pesquisador paranormal, esse tipo de fonte de ultrassom pode ser usado em alguns experimentos fantásticos. Um ambiente pode ser preenchido a partir de duas fontes ultrassônicas e captado por um microfone conectado a um gravador. O tipo de som que pode ser ouvido quando a fita é editada é um assunto para discussão.
Também é interessante ver como esse tipo de vibração pode afetar ou estimular pessoas com habilidades paranormais ou em experimentos de PES.
Como funciona
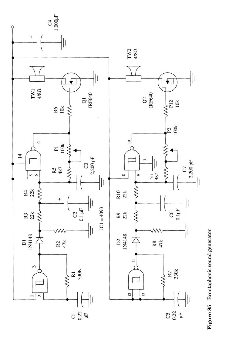
Este projeto é formado por um par de poderosos osciladores modulados por ultrassom operando em faixas entre 18.000 e 25.000 Hz. Um 4093 IC é usado como base do projeto.
Cada uma das quatro portas NAND do 4093 é conectada como um oscilador. No primeiro bloco, temos IC1-a funcionando em uma faixa de frequência muito baixa (circuito de modulação) dada por R1 e Cl. Este circuito modula (em frequência) o segundo oscilador, feito com a porta NAND IC1-b.
Este oscilador opera em uma faixa de frequência entre 18.000 e 25.000 Hz, dada por C3 e ajustada por P1. O sinal de frequência modulado produzido por este circuito é aplicado a um estágio de saída de alta potência usando um FET de potência. Como uma carga, o FET de energia usa um tweeter piezoelétrico. Muitos tweeters comuns podem reproduzir sons acima do nosso limite audível com bom desempenho e, portanto, podem ser usados como transdutores ultrassônicos. Os tweeters piezoelétricos comuns podem produzir vários watts de sons ultrassônicos na faixa de até 25.000 Hz. Preste atenção nas características do tweeter que você usa, escolhendo aquele que pode ir até 25.000 Hz ou mais.
O outro oscilador de baixa frequência tem sua frequência determinada por C5 e R7, e modula o quarto oscilador, feito com IC1-d. Este oscilador opera na faixa do ultrassom e tem sua frequência ajustada por P2. O sinal do segundo oscilador ultrassônico também aciona um estágio de saída de potência com um FET de potência e um segundo tweeter é usado como transdutor.
O circuito pode ser alimentado por fontes de 6 a 12 V e pode preencher um ambiente com vários watts de vibrações ultrassônicas conforme descrito acima. É necessário apenas colocar os tweeters alguns metros um do outro para preencher um ambiente com diferentes sinais ultrassônicos, produzindo os estranhos efeitos descritos nesta seção.
Alerta!
Mamíferos, como cães, gatos, ratos, etc. podem ouvir não apenas o batimento audível produzido por este dispositivo, mas também os sons ultrassônicos. Esses animais ficam muito desconfortáveis com os sons gerados neste experimento. Não use este equipamento se eles estiverem presentes.
Alguns batimentos de baixa frequência que podem ocorrer com este dispositivo, na faixa das ondas cerebrais alfa, beta e teta, podem induzir ataques epilépticos. Não use este dispositivo em experimentos que exigiriam que as pessoas permanecessem no campo ultrassônico durante sessões prolongadas! Evite o uso deste dispositivo perto de qualquer pessoa com histórico de epilepsia. Os batimentos de frequência muito baixa podem criar efeitos fisiológicos / psicológicos adicionais em humanos e, em alguns casos, podem até causar disenteria!
Montagem
A Figura 2 mostra o diagrama esquemático do oscilador brontofônico. A placa de circuito impresso para este projeto é mostrada na Fig. 3.


Qualquer FET de potência do canal P para 4 A ou mais de corrente de dreno e tensões de 200 V ou mais, pode ser usado neste projeto. Os tipos da série IRF, comuns em fontes de alimentação comutadas, como as encontradas em computadores, são baratos e adequados para este projeto.
Os transistores devem ser montados em dissipadores de calor. Os dissipadores de calor são peças de metal, 5 x 8 cm, dobradas em "U" e aparafusadas aos transistores.
Os pequenos tweeters, conforme mostrado nas figuras, com potências de 50 W ou mais são adequados e podem ser conectados ao circuito com fios de 40 cm a 2 m de comprimento. Os tweeters devem ser colocados o mais afastados possível para obter os melhores resultados.
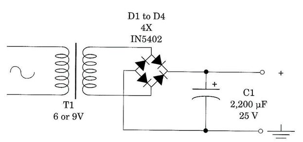
Uma fonte de alimentação adequada para este circuito é mostrada na Fig. 4.

O transformador tem um enrolamento primário classificado para a tensão CA da linha de alimentação e um secundário classificado para 6 a 9 V e 2 A de corrente.
O circuito também pode ser alimentado por quatro a seis células D. Como o dreno de corrente é alto, o tempo de operação contínua ao usar células não é longo. Uma caixa de plástico ou madeira pode ser usada para abrigar o circuito.
Embora, no projeto original, recomendamos potenciômetros trimmer, o leitor é livre para modificar o projeto para usar potenciômetros comuns colocados no painel frontal. Isso permitirá que o pesquisador tenha controle adicional sobre o sinal gerado.
Usando o circuito
Coloque os dois tweeters separados um do outro por uma distância de pelo menos 2 m. Ligue a fonte de energia. Ajuste PI e P2 até obter a estranha sensação de som modulado sendo produzido dentro de seu cérebro. Não se exponha por um longo período a esse som, pois ele pode causar pânico e outros efeitos perigosos imprevisíveis.
Alerta!
Se utilizar o equipamento em experimentos envolvendo seres humanos, tome cuidado e consulte um especialista para evitar problemas. Sons e batidas ultrassônicas são perigosos e podem causar problemas que incluem a possível inauguração de um ataque epiléptico!
Ao tentar captar vozes, não permaneça em um ambiente repleto de sinais produzidos por este dispositivo.
Observação
O dispositivo pode ser usado em sistemas de alarme, pois pode levar um intruso a um estado de descontrole total e forçá-lo a sair antes de realizar sua intenção.
Sugestões
■ Um controle de volume pode ser adicionado conforme mostrado na Fig. 5. Com este controle, você pode realizar os experimentos na presença de humanos sem o desconforto de uma fonte ultrassônica de alta potência.

■ Apenas um oscilador pode ser usado em experimentos envolvendo ultrassom puro. Você pode adicionar um switch em série com cada tweeter para ligá-lo e desligá-lo quando quiser.
■ Você pode adicionar uma chave para desativar um ou outro oscilador para realizar experimentos com apenas uma fonte ultrassônica.
■ Um transdutor ultrassônico de baixa impedância especial pode ser testado com este circuito. Dependendo do transdutor usado, a frequência pode ser aumentada para mais de 30.000 Hz.
■ O sinal ultrassônico de alta potência produzido por este circuito pode assustar as aves de sua propriedade. Você pode realizar mais experimentos nesta área.
■ Em experimentos complexos, você pode usar mais de um desses circuitos para preencher um ambiente com uma variedade de sons ultrassônicos.
Lista de Peças:
IC-1 4093, 4 NAND Schmitt Gates, circuito integrado CMOS
Q1, Q2 IRF640, IRF720, IRF620 ou equivalente. Qualquer FET de potência (transistor de efeito de campo) (ver texto)
D1, D2 1N4148, 1N914 ou equivalente, diodos de uso geral de silício
Resistores
R1, R7 330 kΩ, 1/8 W, 5% - laranja, laranja, amarelo
R2, R8 47 kΩ, 1/8 W, 5% - amarelo, violeta, laranja
R3, R4, R9, R10 22 kΩ, 1/8 W, 5% - vermelho, vermelho, laranja
R5, R11 4,7 kΩ, 1/8 W, 5% - amarelo, violeta, laranja
R6, R12 10 kΩ, 1/8 W, 5% - marrom, preto, laranja
Capacitores
C1, C5 0,22 µF, filme de cerâmica ou metal
C2, C6 0,1 µF, filme de cerâmica ou metal
C3, C7 2.200 pF, cerâmica
C4 1.000 µF / 16 WVDC, eletrolítico
Diversos
P1, P2, potenciômetros de 100 kΩ ou potenciômetros trimmer (ver texto)
Tweeters piezoelétricos TW1, TW2 (ver texto)
Placa de circuito impresso, fonte de alimentação, plástico ou caixa, dissipadores de calor, botões para P1 e P2, fios, solda, etc.















