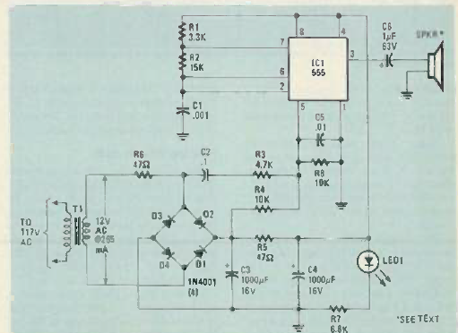
Este circuito inclui a fonte de alimentação a partir da rede de energia. Encontramos na Radio Electronics de julho de 1985. Ele pode ser montado ainda com facilidade em nossos dias.

Este circuito inclui a fonte de alimentação a partir da rede de energia. Encontramos na Radio Electronics de julho de 1985. Ele pode ser montado ainda com facilidade em nossos dias.
