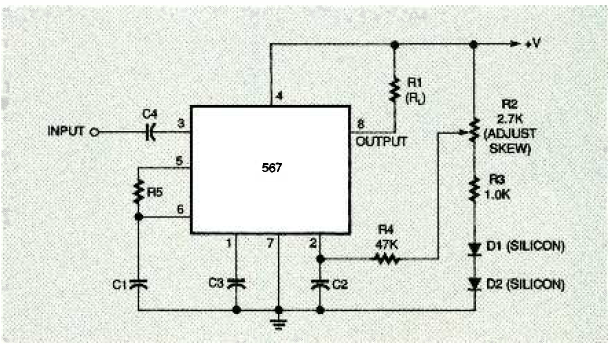
Este circuito reconhecedor de tom que depende de R5 e C1 foi encontrado na revista Electronics Now de dezembro de 1994. O circuito opera com tensões de 6 a 12 V tipicamente.

Este circuito reconhecedor de tom que depende de R5 e C1 foi encontrado na revista Electronics Now de dezembro de 1994. O circuito opera com tensões de 6 a 12 V tipicamente.
